EasyManua.ls Logo

Learjet 25 - Auxiliary Battery System-Sns 24-100 through 24-129; Emergency Battery System

Default Icon
373 pages
Print Icon
To Next Page IconTo Next Page
To Next Page IconTo Next Page
To Previous Page IconTo Previous Page
To Previous Page IconTo Previous Page
Loading...
EMERGENCY MODES
In emergency operation, three different modes
of inverter operation are possible: (1) With a
primary inverter failure, the standby inverter,
through a switching network, automatically
provides power to the primary 115-VAC and
26-VAC buses. Secondary inverter operation
is not affected. (2) With a secondary inverter
failure, the standby inverter, through a switch-
ing network, automatically provides power to
the secondary 115-VAC and 26-VAC buses.
Primary inverter operation is not affected. (3)
With both primary and secondary inverters
failed, the standby inverter, through a switch-
ing network, automatically provides power to
the pilot’s 115-VAC and 26-VAC buses and the
copilot’s 26-VAC bus. Operation of the radar
is not affected by any of the emergency modes.
With a primary and secondary inverter failure,
the copilot’s 115-VAC bus is deenergized,
and, because this bus powers the pilot’s RMI
card, it ,too, is inoperative.
EMERGENCY BATTERY
SYSTEM
An emergency battery is probably installed
in most model 23 airplanes. SNs 24-100
through 24-129 have an auxiliary battery in-
stalled. On all other airplanes, an optional
emergency battery is available.
Auxiliary Battery System—
SNs 24-100 through 24-129
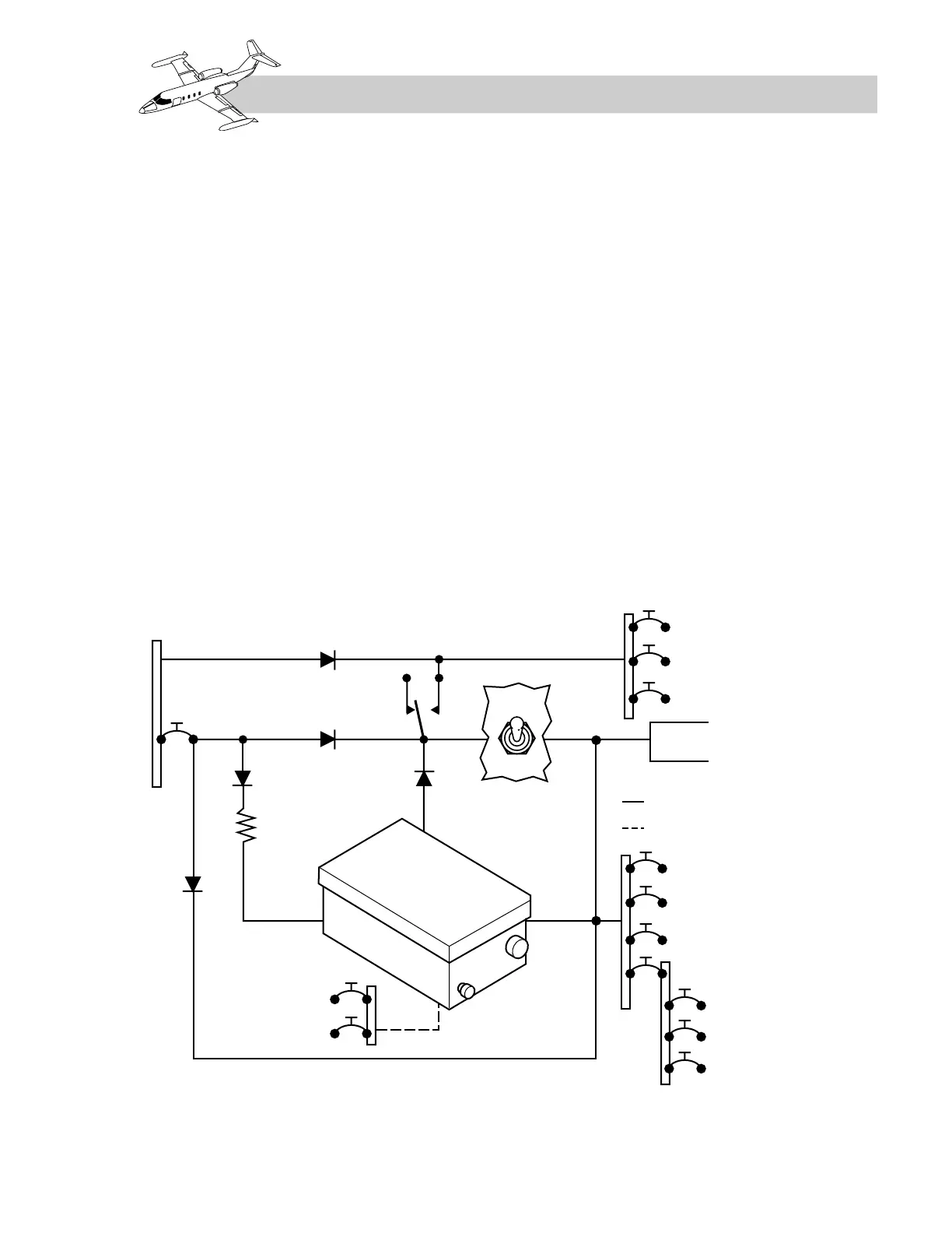
Auxiliary battery power (Figure 2A-20) is
supplied by a 2.6-ampere-hour, 25-volt, nickel-
cadmium dry-cell battery. The battery, in-
stalled beneath the divan seat, consists of a
steel case containing 20 cells and a 50-VA in-
verter. The inverter provides 115-VAC, 400-
Hz, single-phase power. The battery receives
a trickle charge from the battery charging bus.
Power is controlled by an ON–OFF switch
and a momentary switch.
2A-21
FOR TRAINING PURPOSES ONLY
LEARJET 20 SERIES PILOT TRAINING MANUAL
FlightSafety
international
Figure 2A-20. Auxiliary Battery System—SNs 24-100 through 24-129
RIGHT
FWD
BUS
OFF
ON (MOM)
GEAR, FLAP
SPOILER SWITCH
TRICKLE CHARGE
ATTITUDE GYRO
DIRECTIONAL GYRO
AUXILIARY
BATTERY
AND INVERTER
TO
INVERTER
GEAR CONTROL
FLAPS
SPOILER
DIRECTIONAL GYRO POST LIGHT
ATTITUDE GYRO POST LIGHT
TRANSCEIVER
TRANSCEIVER LIGHT
PILOT’S AUDIO
COPILOT’S MAP LIGHT
ADF
WHEEL MASTER
NOSE STEERING RELAY
YAW TRIM
ROLL TRIM
DC POWER (STANDARD ON: 24-100
THROUGH 24-129
AC POWER (OPTIONAL ON ALL
OTHER LEARJETS
LEGEND
OFF
GYROS
ON

Table of Contents

Related product manuals