EasyManua.ls Logo

Lennox CLIMATIC II - MANAGEMENT OF UNITS IN PARALLEL

Lennox CLIMATIC II
94 pages
Print Icon
To Next Page IconTo Next Page
To Next Page IconTo Next Page
To Previous Page IconTo Previous Page
To Previous Page IconTo Previous Page
Loading...
V2.2
-00
19
MANAGEMENT OF UNITS IN PARALLEL
Function
To provide staging of units in order to adjust the temperature of the cooled fluid as closely as possible to the set
point.
Description
Management of the installation by an independent CPU card (recommended configuration)
General regulation is by a KP01 independent of those which directly control the units. Dialogue between the
cards is by hard contact only, without chaining.
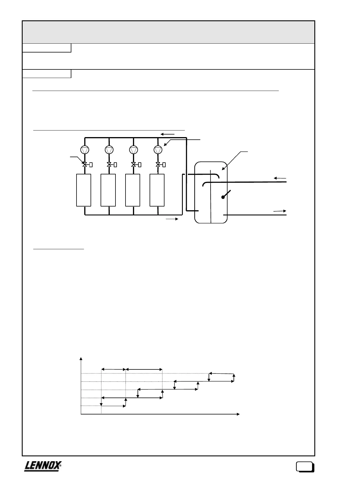
F Outline hydraulics diagram (case of chilled water production
F Thermostat on units
The thermostat THERG controls switching on and off of the different installation units Gn.
THERG is calculated in accordance with the following parameters:
TBAL ó Water temperature in the chamber (°C)
CONSEG ó Water instruction for regulation of units (°C)
ENCLG ó Operating differential for one unit (°C)
DIFETG ó Differential between units (°C)
Case of an installation with 4 machines :
ENCLG
DIFETG
THERG
4
3
2
1
0
CONSEG
TBAL
TBAL
Solenoid
valve V2V1
Pump
Buffer
chamber
Evap. G1
unit
Evap. G2
unit
Evap. G3
unit
Evap. Gn
unit

Table of Contents

Related product manuals