EasyManua.ls Logo

Lennox ComfortSense L7742U - Appendix A. Flow Diagrams & Wiring Diagrams

Lennox ComfortSense L7742U
24 pages
Print Icon
To Next Page IconTo Next Page
To Next Page IconTo Next Page
To Previous Page IconTo Previous Page
To Previous Page IconTo Previous Page
Loading...
506180−01 09/08
Page 18
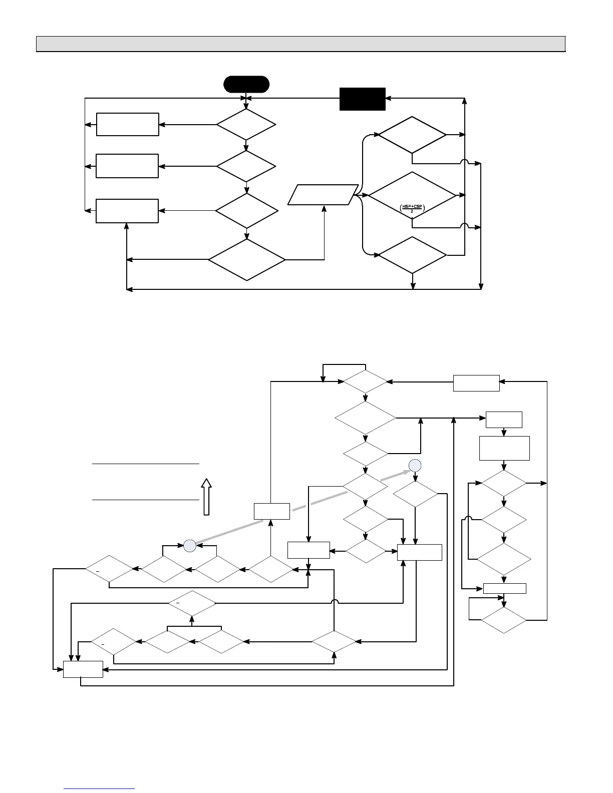
Appendix A. Flow Diagrams and Wiring Diagrams
ComfortSenset Model L7742U Thermostat / Humiditrol
®
EDA Logic Diagram
MIN
MID
MAX
YES
NO
YES
NO
Is indoor
temp. > 2ºF below
cooling set point
?
Is
indoor temp.
greater than the heat
setpoint plus the cool
setpoint divided by 2?
Is indoor
temperature > 2ºF
above heating set
point
?
YES
YES
NO
NO
NO
NO
YES
ONE OR
BOTH TRUE
NEITHER
IS TRUE
Is
there a cooling
demand
?
Is
there a
dehumidification
demand
?
DEACTIVATE ALL
EQUIPMENT
RUN EQUIPMENT IN
NORMAL HEATING
MODE
RUN EQUIPMENT IN
NORMAL COOLING
MODE
Is
EITHER true:
outdoor temp. > 95ºF;
indoor temp. < 65ºF
?
Humiditrol Comfort
Adjust setting is:
RUN
HUMIDITROL
START
Is
there a heating
demand
?
YES
Figure 16. ComfortSenset Model L7742U Thermostat Operation with Humiditrol
®
EDA Enabled
Dual Fuel Flow Diagram
LEGEND
HBSP − High Balance Set Point
LBSP − Low Balance Set Point
ODT − OutDoor Temperature
NOTES
LBSP and HBSP must not be set closer than 2ºF
2nd stage lock in temperature −20ºF to 75ºF (OFF)
OUTDOOR TEMPERATURE AND BALANCE POINTS
HEAT PUMP ONLY
HBSP
HEAT PUMP OR GAS/OIL HEAT
LBSP
GAS/OIL HEAT ONLY
Indoor heat
demand
?
YES
NO
Gas/oil
heat (non−HP)
demand (W1) or EM
heat demand
?
YES
NO
ODT above
LBSP +3
?
YES
Compress-
or speed 1 (Y1
only) ?
ODT
> stg2 (Y2)
lock in temp
?
NO
YES
HP
stage
demand
?
Stg1 Stg2
Energize Y1, B,
G and start
upstage timer
Energize Y1, Y2,
B, G and start
upstage timer
Indoor heat
demand
?
NO
YES
Upstage
timer expired
?
NO
2nd stage
demand
?
YESYES
ODT
< LBSP − 3
?
NO
YES
NO
Indoor heat
demand
?
NO
YES
NO
3rd stage
demand
?
YESYES
ODT
< LBSP − 3
?
NO
YES
NO
De−energize
Y1 or Y1&Y2,
and G
2nd stg
HP (Y2) or
Gas (W1)
?
A
ODT
< HBSP − 3 or
(if HBSP is
OFF)
?
W1
Y2
De−energize
W1 and W2
HEAT PUMP
LOCKOUT
Energize 1st
stage gas/oil heat
(W1) and start
upstage timer
Indoor heat
demand
?
Indoor heat
demand
?
Upstage timer
expired
?
Energize W2
4th
stage demand
or 2nd stage gas/oil
demand (W2)
?
NO
YES
YES
NO
NO
YES
NO
YES
NOYES
NO
YES
NO
A
Upstage
timer expired
?
De−energize
Y1, Y2, G
START
Figure 17. Dual Fuel Flowchart

Other manuals for Lennox ComfortSense L7742U

Related product manuals