EasyManua.ls Logo

Lennox COMPACTAIR CSC - Piping Drawings

Lennox COMPACTAIR CSC
32 pages
Print Icon
To Next Page IconTo Next Page
To Next Page IconTo Next Page
To Previous Page IconTo Previous Page
To Previous Page IconTo Previous Page
Loading...
11
UNIDAD EXTERIOR
SVL3
112D/128D
C2
DS
SVL1
C1
SVL4
PT2LP2
SVL2
HP2
C
H
2
C
H
1
PT1LP1 HP1
CSH 100
UNIDAD INTERIOR
CIH 100
(ELEMENTO OPCIONAL)
C
H
3
OS
DS
SVL1
DS
SVL2
SVL3
SVL4
HPT1
LPT1
HPT2LPT2
HP1
HP2
CH2
CH1
OS
HPT1
HPT2
LPT1
LPT2
CH3
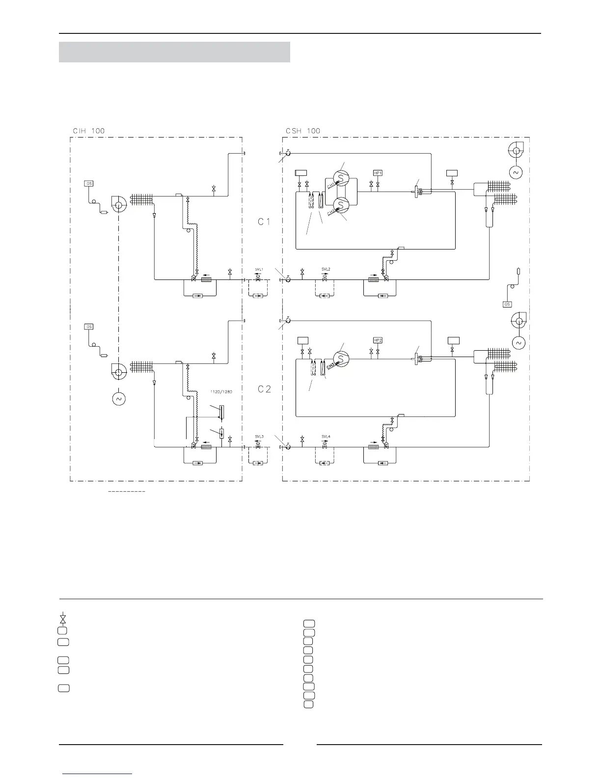
1.- GENERAL CHARACTERISTICS
1.5.- PIPING DRAWINGS HEAT PUMP UNITS
INDOOR UNIT
OUTDOOR UNIT
OPTION ELEMENT
Scroll com-
pressor
Scroll compressor
Scroll compressor
4-way valve
4-way valve
Check valve
Liquid receiver
Fan
Expansion valve
Filter
drier
Service valve
option
Service valve
option
Fan motor
Coil
Suction accumulator (Long
distance connection option)
Coil
Check
valve
Check
valve
Filter
drier
Expansion valve
Check
valve
Suction accumulator
Check
valve
Service valve
option
Service valve
option
Fan
Coil
Filter drier
Check
valve
Check
valve
Expansion valve
Suction accumulator (Long
distance connection option)
Check
valve
Filter
drier
Expansion valve
Check
valve
Suction accumulator
Fan motor
Coil
Pressure gauge. (5/16” to be tted by the installer).
Discharge sensor.
Liquid solenoid valve (Long distance option).
To be connected by the installer to indoor units.
Liquid solenoid valve (Long distance option).
Liquid solenoid valve (Long distance option).
To be connected by the installer to indoor units.
Liquid solenoid valve (Long distance option).
Low pressure transducer, circuit 1.
Low pressure transducer, circuit 2.
High pressure switch, circuit 1.
High pressure switch, circuit 2.
Crank case heater.
Crank case heater.
Crank case heater.
High pressure transducer, circuit 1.
High pressure transducer, circuit 2.
Outdoor temperature sensor.