EasyManua.ls Logo

Lennox COMPACTAIR CSC - Electrical Connections

Lennox COMPACTAIR CSC
32 pages
Print Icon
To Next Page IconTo Next Page
To Next Page IconTo Next Page
To Previous Page IconTo Previous Page
To Previous Page IconTo Previous Page
Loading...
23
DS
OS
AS
RS
RS HR/T
CO2
DPT
OS HR/T
AS HRT
DIFS
2 x 1,5 mm²
LDRP
7 x 1,5 mm²
DADS
5 x 1,5 mm²
BAC
4 x 1,5 mm²
2.- INSTALLATION
2.8.- ELECTRICAL CONNECTIONS
VOLTAGE OPERATING LIMITS: 342-462V
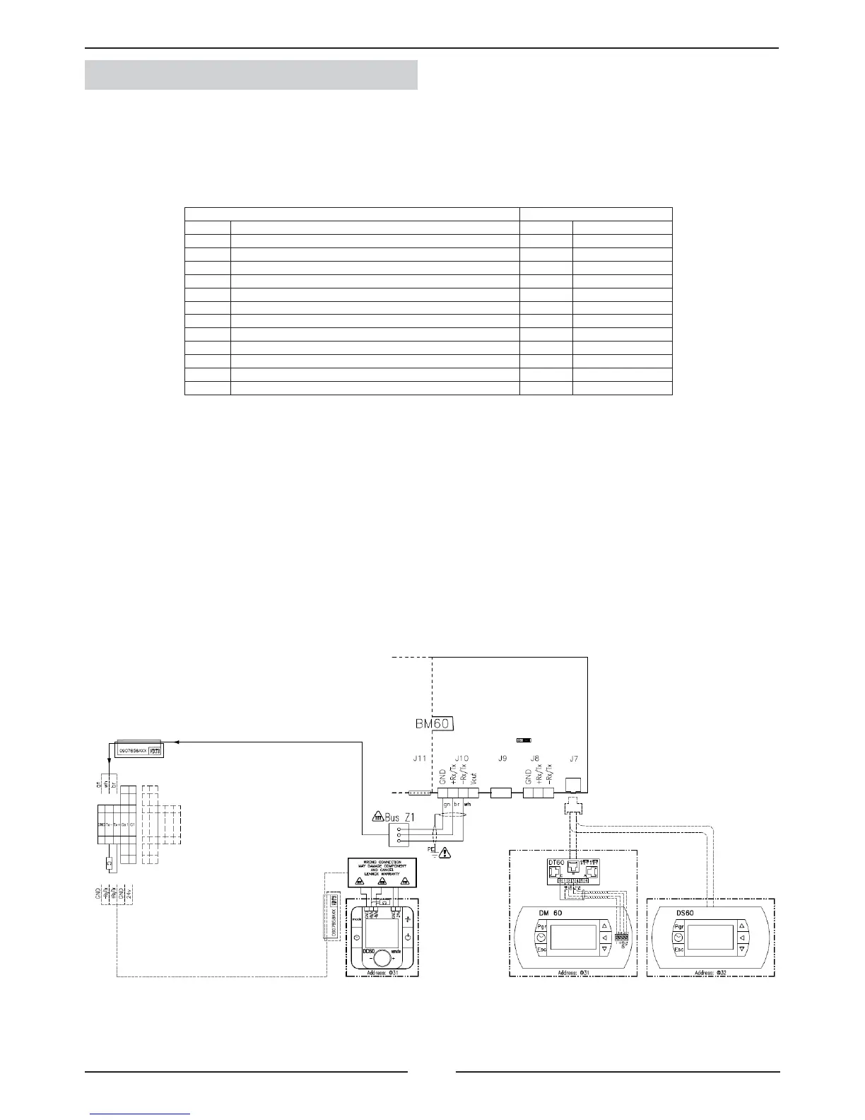
COMFORT AND SERVICE TERMINAL CONNECTION
CONNECTION OF CONTROL ELEMENTS:
COMPONENT
Discharge sensor STANDARD 2 x 1 mm² (shielded)
Outdoor sensor STANDARD 2 x 1 mm² (shielded)
Remote ambient sensor STANDARD 2 x 1 mm² (shielded)
Remote duct sensor OPTION 2 x 1 mm² (shielded)
Duct remote sensor for enthalpic free-cooling OPTION 5 x 1 mm² (shielded)
CO2 Air quality probe. (Available only with enthalpic free-cooling) OPTION 4 x 1 mm² (shielded)
Air differential pressure transducer OPTION 3x 1 mm² (shielded)
Outdoor sensor for enthalpic free-cooling OPTION 5 x 1 mm² (shielded)
Remote ambient sensor for enthalpic free-cooling OPTION 6 x 1 mm² (shielded)
Dirty lter sensor OPTION
Long distance connection OPTION
Smoke detector OPTION
Hot water coil OPTION