EasyManua.ls Logo

Lennox COMPACTAIR CSC - Piping Drawings

Lennox COMPACTAIR CSC
32 pages
Print Icon
To Next Page IconTo Next Page
To Next Page IconTo Next Page
To Previous Page IconTo Previous Page
To Previous Page IconTo Previous Page
Loading...
6
(ELEMENTO OPCIONAL)
045
DS
SVL3
C2
LP2
CH3
HP2
PT2
SVL1
C1
LP1
CH1
HP1
PT1
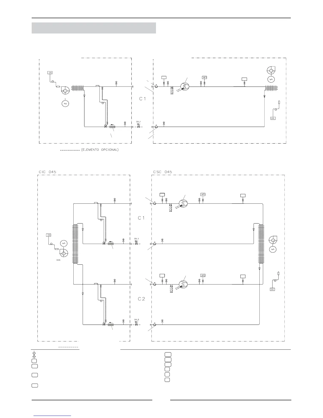
CIC 045
UNIDAD INTERIOR UNIDAD EXTERIOR
CSC 045
OS
SVL3
SVL1
DS
LPT2
HPT1
HPT2
CH1
CH3
OS
LPT1
CSC 020/025/030/035/040
UNIDAD INTERIOR
CIC 020/025/030/035/040
UNIDAD EXTERIOR
SVL1
HP1
(ELEMENTO OPCIONAL)
C1
CH1
DS
OS
LPT1
HPT1
HPT1
LPT1
HPT2
LPT2
1.- GENERAL CHARACTERISTICS
INDOOR UNIT OUTDOOR UNIT
OPTION ELEMENT
Scroll compressor
Fan
Expansion valve
Filter drier
Service valve
option
Service valve
option
Fan motor
Coil
Coil
INDOOR UNIT
OUTDOOR UNIT
OPTION ELEMENT
Scroll compressor
Scroll compressor
Fan
Coil
Expansion valve
Expansion valve
Filter drier
Filter drier
Service valve
option
Suction accumulator
(Long distance connection option).
Suction accumulator
(Long distance connection option).
Fan motor
Coil
Pressure gauge. (5/16” to be tted by the installer).
Discharge sensor. (With C50 control).
Liquid solenoid valve. (Long distance option).
To be connected by the installer to indoor units.
Liquid solenoid valve. (Long distance option).
To be connected by the installer to indoor units.
Low pressure switch, circuit 1.
Low pressure switch, circuit 2.
High pressure transducer circuit 1.
High pressure transducer, circuit 2.
Crank case heater. (Low ambient 0ºC or -15ºC option).
Crank case heater. (Low ambient 0ºC or -15ºC option).
Outdoor temperature sensor
Service valve
option
Service valve
option
Service valve
option
1.5.- PIPING DRAWINGS COOLING ONLY UNITS
OPTION ELEMENT
Suction accumulator
(Long distance connection option).

Related product manuals