EasyManua.ls Logo

Lennox CSC - Page 9

Lennox CSC
33 pages
Print Icon
To Next Page IconTo Next Page
To Next Page IconTo Next Page
To Previous Page IconTo Previous Page
To Previous Page IconTo Previous Page
Loading...
• 7 •
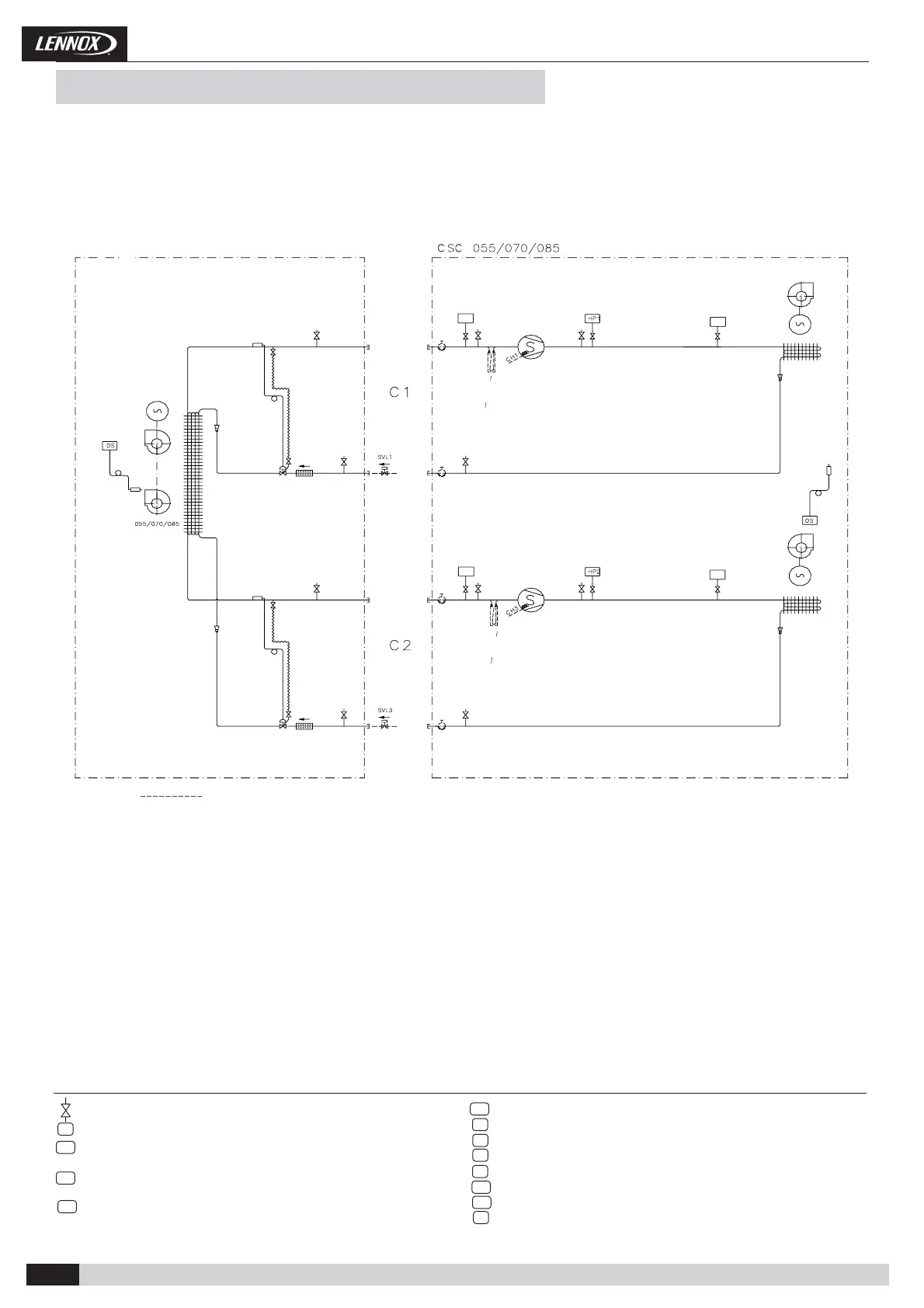
(ELEMENTO OPCIONAL)
055/070/085
DS
SVL3
C2
LP2
CH3
HP2
PT2
SVL1
C1
LP1
CH1
HP1
PT1
CSC 055/070/085
OS
SVL3
SVL1
DS
HP1
HP2
CH1
CH3
OS
LPT1
LPT1
HPT1
HPT2
LPT2
LPT2
HPT1
HPT2
Installation, Operation and Maintenance manual • CSC/CSH-MIL153E-1217-05/2018
1.- GENERAL CHARACTERISTICS
1.5.- PIPING DRAWINGS COOLING ONLY UNITS
AIR TREATMENT UNIT. EXAMPLE
CONDENSING UNIT
Scroll compressor
Scroll compressor
Fan
Coil
Expansion valve
Expansion valve
Filter drier
Filter drier
Service valve
option
Suction accumulator
(Long distance connection option).
Suction accumulator
(Long distance connection option).
Fan motor
Coil
Fan motor
Coil
Service valve
option
Service valve
option
Service valve
option
Pressure gauge. (5/16” to be tted by the installer).
Discharge sensor.
Liquid solenoid valve. (Long distance option).
To be connected by the installer in the air treatment unit.
Liquid solenoid valve. (Long distance option).
To be connected by the installer in the air treatment unit.
Low pressure transducer, circuit 1.
Low pressure transducer, circuit 2.
High pressure switch, circuit 1.
High pressure switch, circuit 2.
Crank case heater. (Low ambient 0ºC or -15ºC option).
Crank case heater. (Low ambient 0ºC or -15ºC option).
High pressure transducer, circuit 1
High pressure transducer, circuit 2.
Outdoor temperature sensor
OPTION ELEMENT

Related product manuals