EasyManua.ls Logo

Lennox EDA - Page 12

Lennox EDA
24 pages
Print Icon
To Next Page IconTo Next Page
To Next Page IconTo Next Page
To Previous Page IconTo Previous Page
To Previous Page IconTo Previous Page
Loading...
12
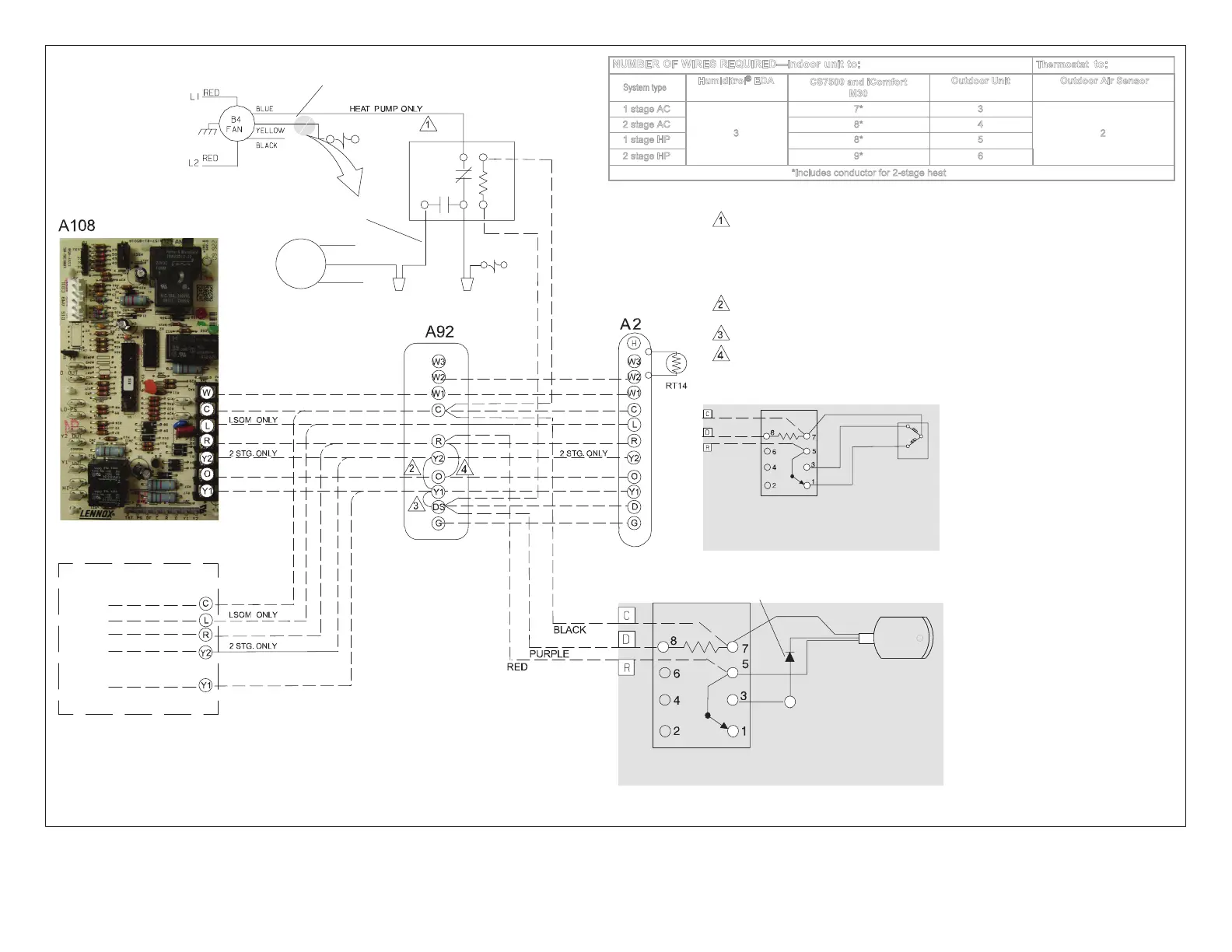
NUMBER OF WIRES REQUIRED—Indoor unit to:
Thermostat
to:
System type
Humiditrol
®
EDA
CS7500 and iComfort
M30
Outdoor Unit Outdoor Air Sensor
1 stage AC
3
7* 3
2
2 stage AC 8* 4
1 stage HP 8* 5
2 stage HP 9* 6
*Includes conductor for 2-stage heat
B4
FAN
Blue
Yellow
Black
K1
FIRST,
CUT YELLOW WIRE HERE.
*OUTDOOR RELAY
NOT REQUIRED WITH
SINGLESPEED
OUTDOOR FAN
Purple
Yellow
Yellow
2
SECOND,
REWIRE YELLOW WIRE AS SHOWN
75
CS7500 and iComort
M30
OUTDOOR
SENSOR
(X2658)
K1
XP19-024 UNITS COME FACTORY WIRED
FOR LOW OUTDOOR FAN SPEED ONLY.
HIGH SPEED Y2 (BLUE WIRE) IS NOT
CONNECTED. BE SURE TO CONNECT
BLUE Y2 WIRE TO TERMINAL OF
OUTDOOR RELAY.
Y1—Y2 JUMPER - ONLY REMOVE IF
2-STAGE COOLING
DS—Y1 JUMPER - MUST BE REMOVED
FOR HUMIDITROL OPERATION
HEAT PUMP APPLICATIONS ONLY -
REMOVE R—O JUMPER.
Purple
Black
OUTDOOR UNIT
DEFROST BOARD (HP)
YELLOW
BROWN
RED
BLUE
BLACK
OUTDOOR UNIT
CONTROL WIRES (AC)
WIRE
NUTS
INDOOR
UNIT
24 VOLT
TERMINAL
STRIP
GREY
RED
EDA VALVE
ACTUATOR
EDA RELAY
BLACK
VIOLET
ORANGE
EDA VALVE
ACTUATOR
EDA RELAY
RED
Use Wire nuts
LATER MODEL VALVE
ACTUATOR
EARLIER
MODEL VALVE
ACTUATOR
1N4005 DIODE (shrink wrapped -
diode is concealed in the wire.)
L1
Humiditrol
Humiditrol
Figure 11. CS7500 or M30 with any Non-Communicating Indoor and Outdoor Units

Related product manuals