EasyManua.ls Logo

Lennox ELA Series

Lennox ELA Series
29 pages
To Next Page IconTo Next Page
To Next Page IconTo Next Page
To Previous Page IconTo Previous Page
To Previous Page IconTo Previous Page
Loading...
Page 28
Second Stage Heat Call ELS / ELP
4 - ELS W2 calls for second stage heat. K19−1 closes,
energizing one side of contactor K16 which energizes
one side of relay K32. K32−1 closes energizing
K16. K16−1 closes, energizing HE3 and HE4.
ELP W2 heat demand energizes K9 and K19.
K9−1 and K19−1 closes energizing K15, K16 and
K32. K15−1 and K16−1 closes energizing HE3 and
HE4.
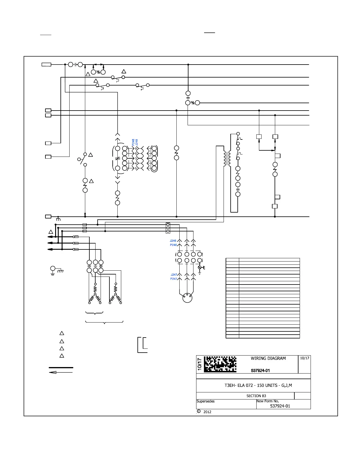
C
K43-1
K43
DENOTES OPTIONAL COMPONENTS
B3
MOTOR-BLOWER
K43,-1 RELAY-ECONOMIZER BLOWER
R
G
W1
W2
COMMON
K220-1
K220
S149
K220,-1 RELAY-OVERFLOW
S149
SWITCH-OVERFLOW
Y2
Y1
TB1
H1
H2
C2
C1
TB1
TB1
7
2
TB1
TERMINAL STRIP-CLASS II VOLT
072
090,120,150
5
7 2
A
B
A
B
S49
S50
SWITCH-FREEZESTAT COMPRESSOR 1
SWITCH-FREEZESTAT COMPRESSOR 2
GROUND
1
1
1
24VAC
S49
S50
HE2
A
B
C
C
TB1
TB1
S20
K9-1
T2
ELEMENT-ELECTRIC HEAT 1
ELEMENT-ELECTRIC HEAT 2
T2
TRANSFORMER-ELECTRIC HEAT
10, 15 KW
W1
F3
3
LINE VOLTAGE FIELD INSTALLED
10
15
25
10
15
12.5
12.5
35
16.7 16.7
TB1
W1
ELP
UNITS
ELS
UNITS
25, 35 KW
IF ANY WIRE IN THIS APPLIANCE IS REPLACED, IT
MUST BE REPLACED WITH WIRE OF LIKE SIZE,
RATING, INSULATION THICKNESS AND TERMINATION
WARNING-ELECTRIC SHOCK HAZARD, CAN CAUSE
IMJURY OR DEATH. UNIT MUST BE GROUNDED IN
ACCORDANCE WITH NATIONAL AND LOCAL CODES
DISCONNECT ALL POWER BEFORE SERVICING
W2
RELAY-HEAT
FUSE-UNIT
FUSE-ELECTRIC HEAT
COMPONENTKEY
F3
F4
HE1
HE2
CONTACTOR-ELECTRIC HT 1
SWITCH-LIMIT,PRIMARY,ELECT HT
SWITCH-LIMIT,SECONDARY ELECT HT
S15
S20
K15,-1
K9,-1
K9
K15
S15
F4
L1
L2
L3
K15-1
HE1
HE2HE1
KW
2
PC
STF
RL
RH
PC
STF
RL
RH
SD
1
2
3
4
5
SD
H2
A183
B
C
K232
9 6
1
2
K232
A
B
P248
J248
J248
P248
A96
R S T
WVU
G
G
A96
B3
TB13
VFD CONTROL (G)
A183
CONTROL,VFD BOARD
A96
CONTROL, INVERTER
J/P246
J/P247
J/P248
K232 RELAY-INVERTER PROTECTION
TB13
TERMINAL STRIP-POWER DISTRIBUTION
JACK, PLUG-POWER TO VFD
JACK, PLUG-VFD TO MOTOR
JACK, PLUG-VFD CONTROL
S50
S50
4
3
USE COPPER CONDUCTORS ONLY
S50 LOCATION ON UNITS WITH TWO
SINGLE SPEED COMPRESSORS
S149 SWITCH AND K220 RELAY MAY BE
FIELD SUPPLIED OR USE AVAILABLE KIT
2
1
4
S50 LOCATION ON UNITS WITH ONE
DUAL SPEED COMPRESSOR
Lennox Commercial
HEATING - ELECTRIC
REV 0
30-10-2017 02:39:25 PM, 7X10

Related product manuals