EasyManua.ls Logo

Lennox FCA 60 - Page 104

Lennox FCA 60
142 pages
Print Icon
To Next Page IconTo Next Page
To Next Page IconTo Next Page
To Previous Page IconTo Previous Page
To Previous Page IconTo Previous Page
Loading...
Page 102 - IOM / ROOF-TOP FLEXY™ Series
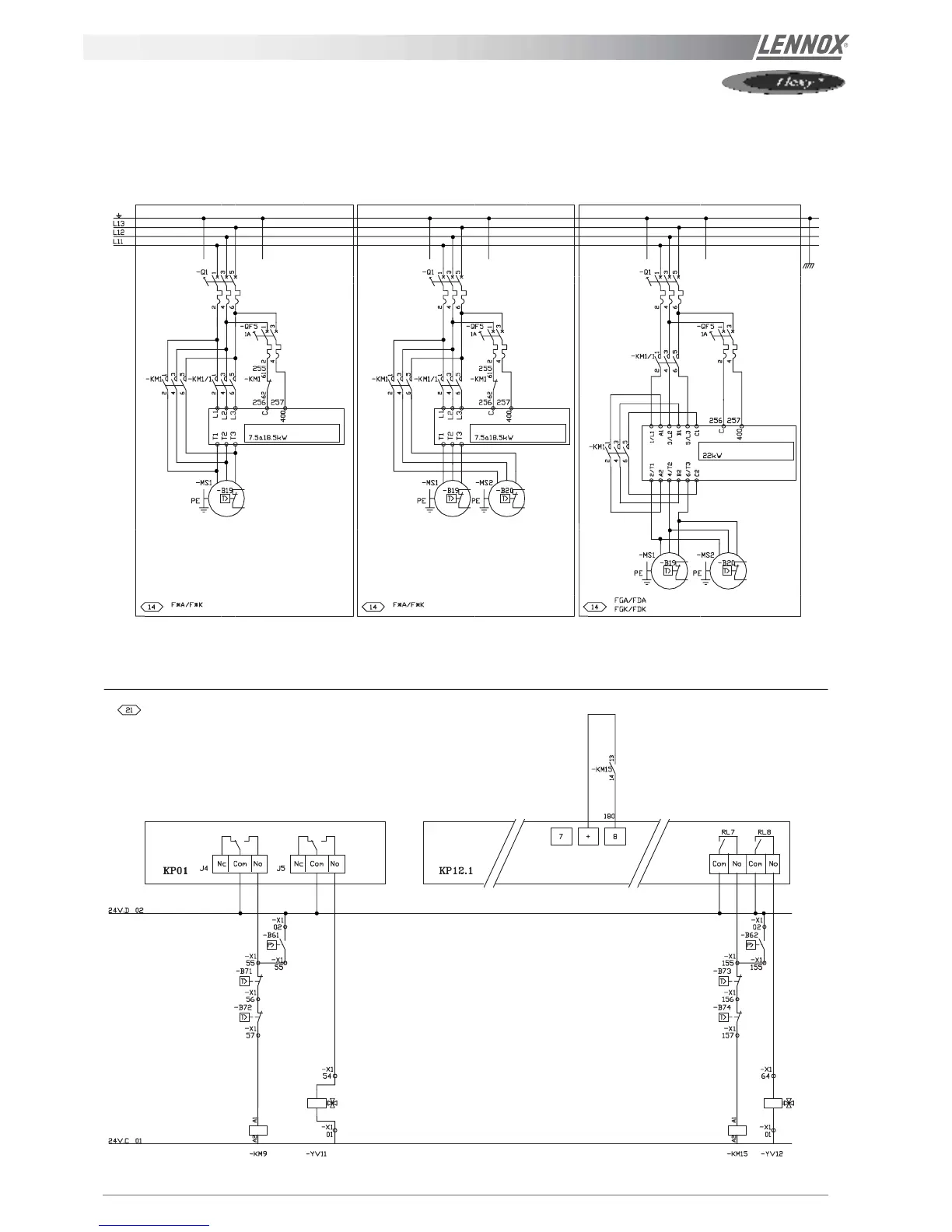
ELECTRICAL WIRING DIAGRAMS
MAIN CURRENT DIAGRAM