EasyManua.ls Logo

Lennox Fhm 170 - HP Problems and HP Cut Outs

Lennox Fhm 170
130 pages
Print Icon
To Next Page IconTo Next Page
To Next Page IconTo Next Page
To Previous Page IconTo Previous Page
To Previous Page IconTo Previous Page
Loading...
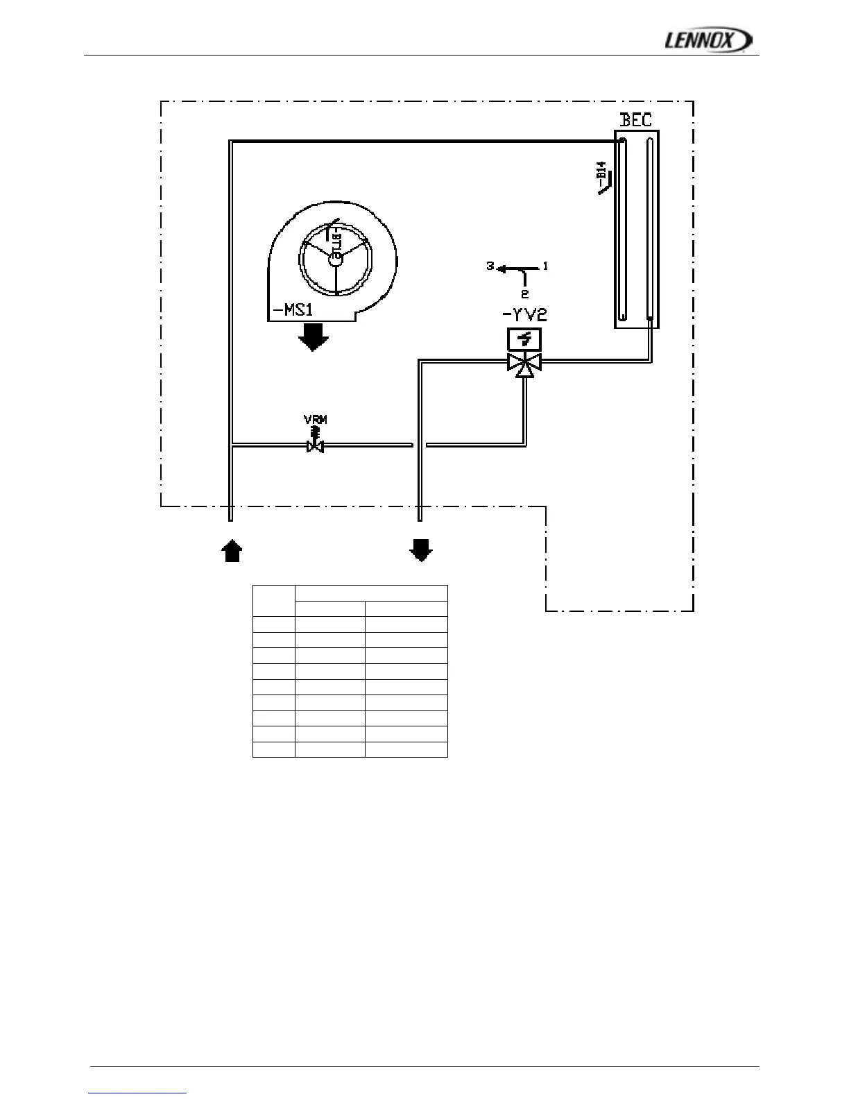
HOT WATER COIL DIAGRAM
FLEXYII_WSHP-IOM-0909-E Page 107
PIPE DIAMETERS
1 ROW 2 ROWS
085 25 32
100 25 32
120 25 32
150 32 40
170 32 40
200 32 40
230 32 40
HOT WATER

Table of Contents

Other manuals for Lennox Fhm 170

Related product manuals