EasyManua.ls Logo

Lennox GAH 020S

Lennox GAH 020S
68 pages
To Next Page IconTo Next Page
To Next Page IconTo Next Page
To Previous Page IconTo Previous Page
To Previous Page IconTo Previous Page
Loading...
• 25 •
GAH 020S-025S-030S-035S-040S-045S
GAH 055S-060S-070S-080S
Installation manual /eCOMFORT-MIL150E-0916 / 05/2017
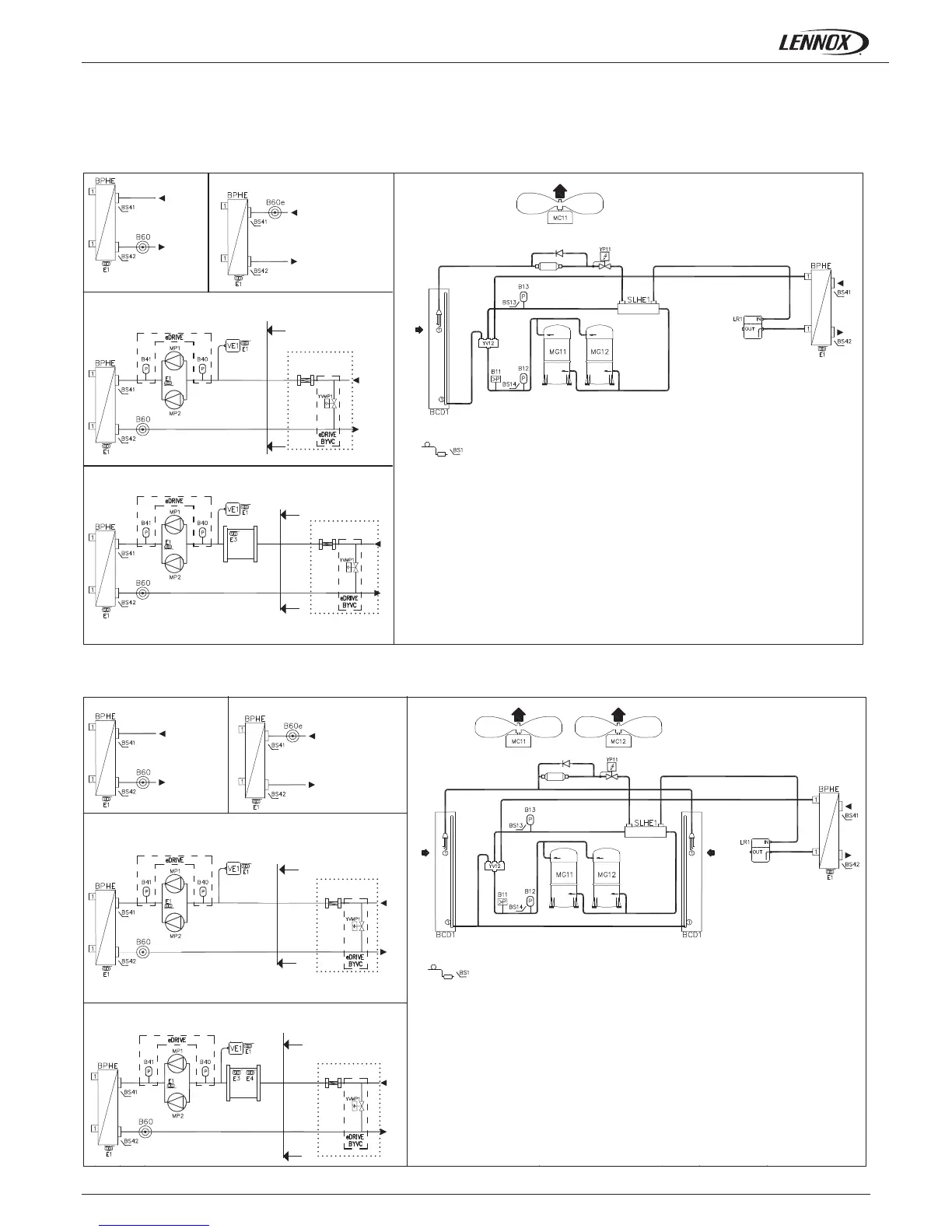
1.- GENERAL CHARACTERISTICS
1.8.- PIPING DRAWINGS
HEAT PUMP UNITS
Electronic ow switch
Electronic ow switch
Flow switch
Flow switch
CUSTOMER
CONNECTIONS
CUSTOMER
CONNECTIONS
FILTER
FILTER
FILTER
FILTER
TANK
TANK
eDRIVE pump (option)
eDRIVE pump (option)
eDRIVE pump + water pump (options)
eDRIVE pump + water pump (options)
CUSTOMER
CONNECTIONS
CUSTOMER
CONNECTIONS

Related product manuals