EasyManua.ls Logo

Lennox SIGNATURE SLP99DFV - Typical Unit Set-Up Checklist

Lennox SIGNATURE SLP99DFV
71 pages
Print Icon
To Next Page IconTo Next Page
To Next Page IconTo Next Page
To Previous Page IconTo Previous Page
To Previous Page IconTo Previous Page
Loading...
Page 70
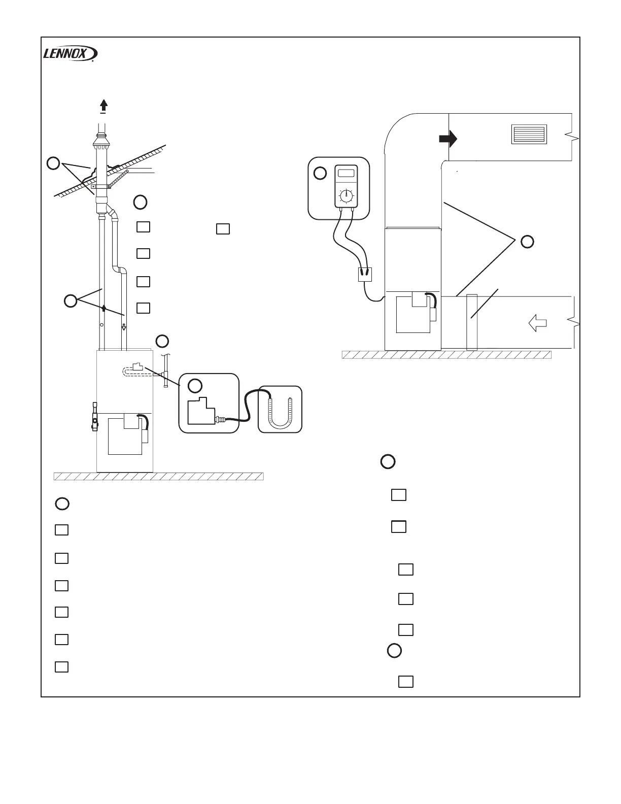
Gas Supply Pressure
SUPPLY
AIR
Line Voltage
GAS SUPPLY
Natural Gas
LP Propane Gas
Piping Connections Tight
Leak Tested
Supply Line Pressure “W.C.________
1
INTAKE / EXHAUST PIPE
All Joints Primed and Glued
Terminations Installed Properly
Pipes Supported
Condensate Trap Primed / Line Sloped
Heat Cable Installed and Operable (if applicable)
2
2
2
1
Horizontal Pipes Sloped (if applicable)
UNIT SET UP
(typical)
3
4
Flter
RETURN AIR
Furnace:
Model Number_______________
Serial Number_________________
3
DUCT SYSTEM
SUPPLY AIR DUCT
Sealed
Insulated (if necessary)
RETURN DUCT
Sealed
Filter Installed and Clean
Grilles Unobstructed
4
VOLTAGE CHECK
Supply Voltage _____
Electrical Connections Tight
1

Related product manuals