EasyManua.ls Logo

Lenze C 750 - Page 13

Lenze C 750
34 pages
Go to English
Print Icon
To Next Page IconTo Next Page
To Next Page IconTo Next Page
To Previous Page IconTo Previous Page
To Previous Page IconTo Previous Page
Loading...
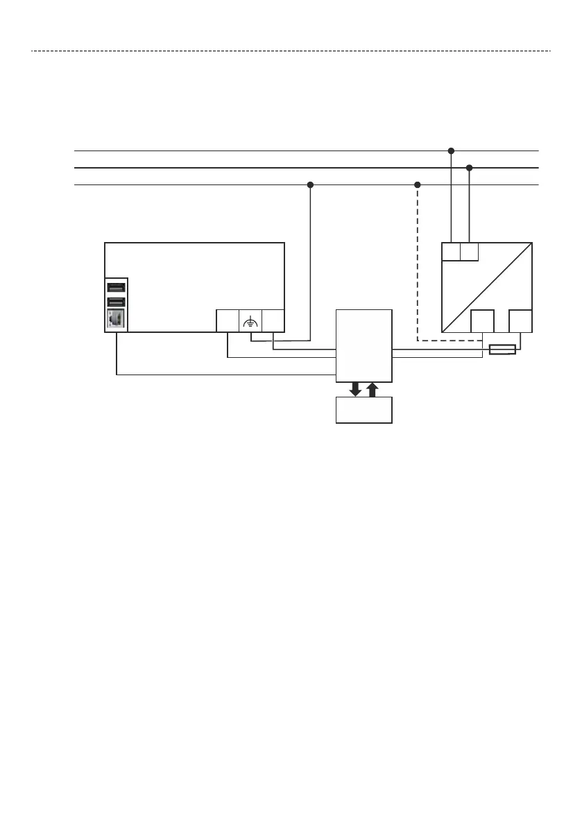
Anschluss an eine externe USV
Für die Verwendung des Controllers c750 mit Windows 10 IoT ist eine externe unterbrechungsfreie Strom-
versorgung (USV) vorzusehen, die bei Ausfall der 24-V-Versorgung Windows genügend Zeit bereitstellt, um
sich geordnet beenden zu können. Die externe USV puert dabei die 24-V-Versorgung am Stecker X50 des
Gerätes.
Controller
USV
OUT
IN
Batterie
Aufladen
Backup
USB/Netzwerk
GND
24E
X50
PE
0V
+24
~ =
F
L1
N
L1
N
PE
SELV/PELV
X63
X64
X12
Elektrische Installaon
Netzanschluss
13

Related product manuals