EasyManua.ls Logo

Lewmar Pro-Fish 700 - Model 1000 Wiring Diagram

Lewmar Pro-Fish 700
15 pages
Print Icon
To Next Page IconTo Next Page
To Next Page IconTo Next Page
To Previous Page IconTo Previous Page
To Previous Page IconTo Previous Page
Loading...
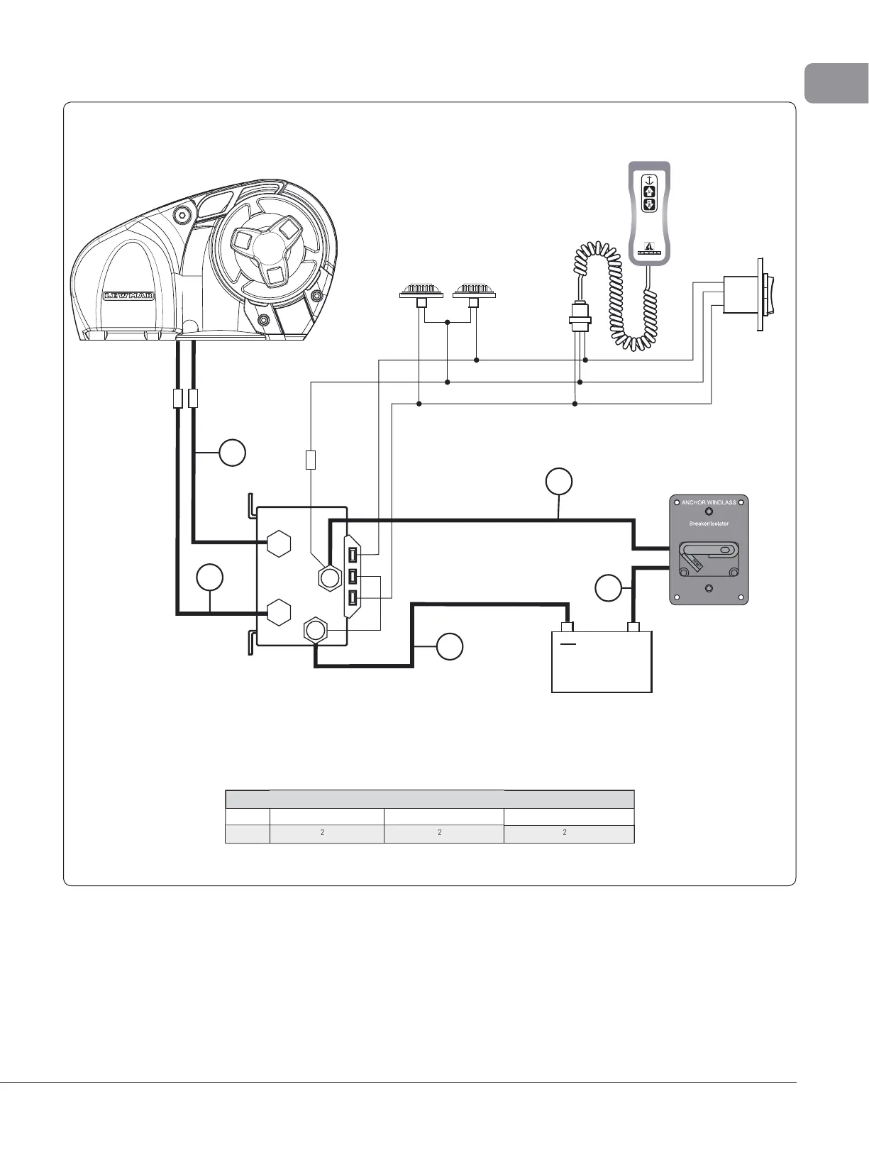
9
P
ro-Series & Pro-Fish Windlass
GB
2
.4 Mo
d
e
l
1000 - 12
V
CIRCUIT
BREAKER/ISOLATOR
BATTERY
GUARDED
ROCKER
SWITCH
68000593
Fuse
3 A
CONTACTOR
0052531 - 12 V
68000240 - 70 A, 12 V
E
A
B
D
C
Shared
Down
Up
DOWN UP
DECK
FOOT SWITCH
SET
68000598 Black
68000597 White
HAND
HELD
CONTROL
68000599
+
+
R
Fi
g
. 2.4.1
A
+ B +
C
+ D + E =
12 V
U
p
to 15 m
(
50 ft
)
15.5 to 21 m
(
51 to 70 ft
)
21.5 to
3
0.5 m
(
71 to 100 ft
)
US
E
16 mm
2
(
4 AW
G)
25 mm
2
(
2 AW
G)
3
5 m
m
2
(
2 AW
G)

Related product manuals