EasyManua.ls Logo

Lexmark MX910de - Assembly 19: Tray Paper Detection

Lexmark MX910de
827 pages
Print Icon
To Next Page IconTo Next Page
To Next Page IconTo Next Page
To Previous Page IconTo Previous Page
To Previous Page IconTo Previous Page
Loading...
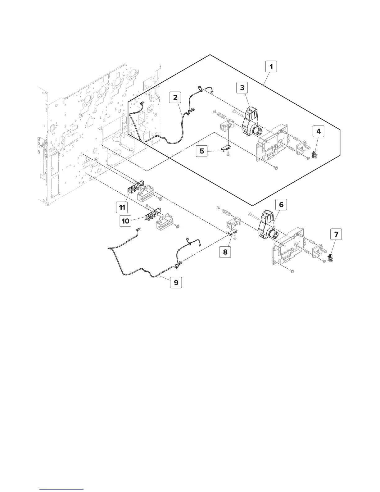
Assembly 19: Tray paper detection
7421
Parts catalog
579

Table of Contents

Related product manuals