EasyManua.ls Logo

Lexmark MX910de - Assembly 50: ADF Paper Pick 2

Lexmark MX910de
827 pages
Print Icon
To Next Page IconTo Next Page
To Next Page IconTo Next Page
To Previous Page IconTo Previous Page
To Previous Page IconTo Previous Page
Loading...
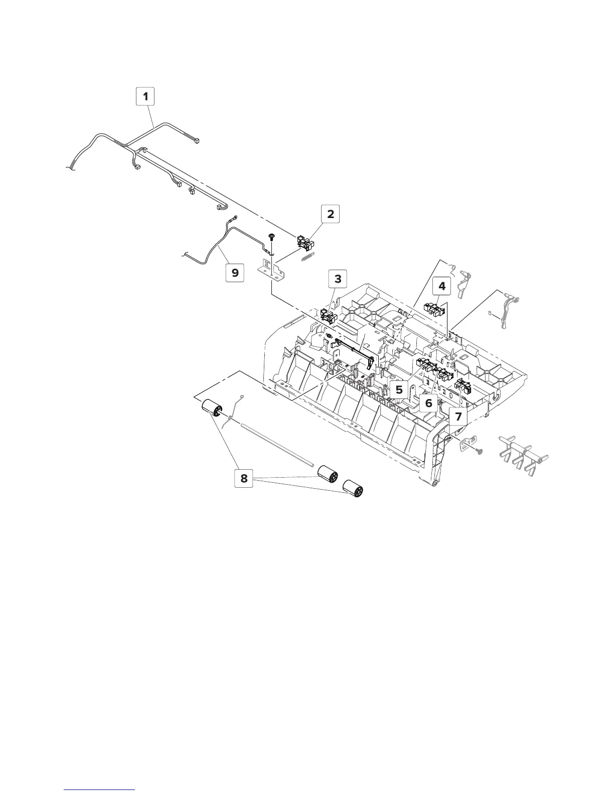
Assembly 50: ADF paper pick 2
7421
Parts catalog
641

Table of Contents

Related product manuals