EasyManua.ls Logo

Lexmark MX910de - Assembly 56: ADF Paper Transport 5

Lexmark MX910de
827 pages
Print Icon
To Next Page IconTo Next Page
To Next Page IconTo Next Page
To Previous Page IconTo Previous Page
To Previous Page IconTo Previous Page
Loading...
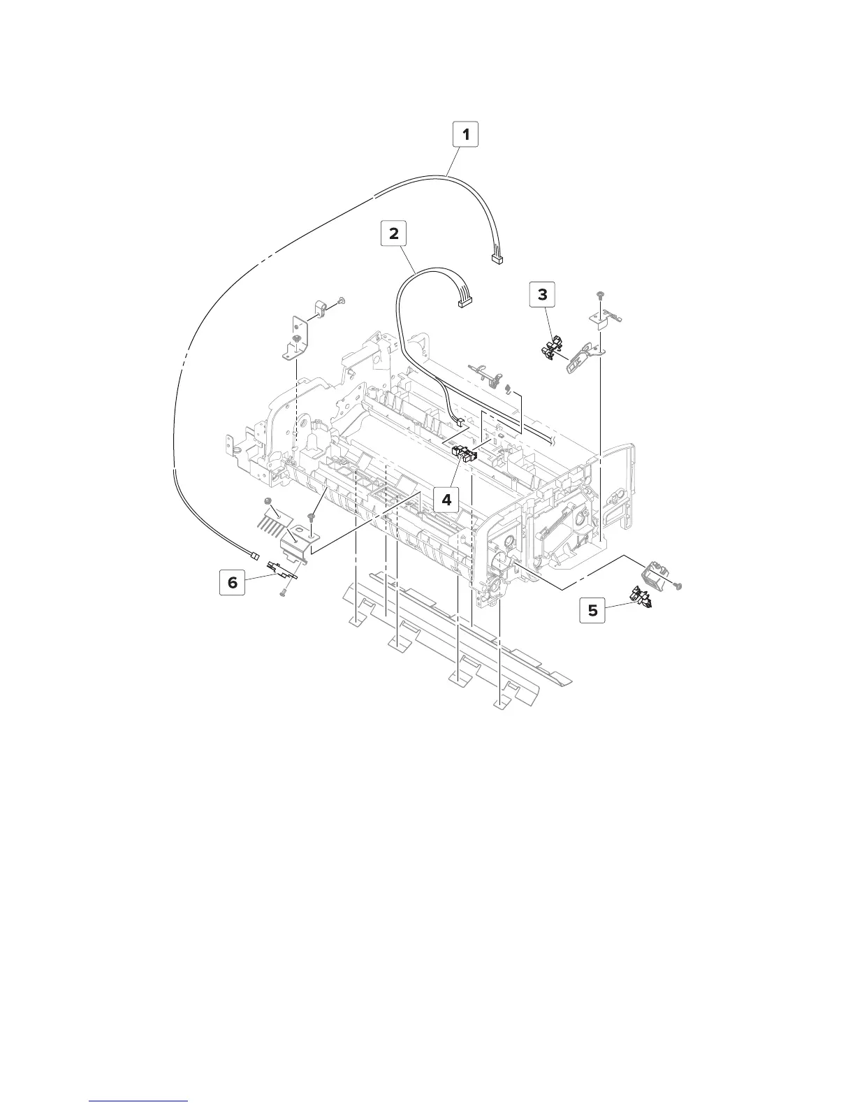
Assembly 56: ADF paper transport 5
7421
Parts catalog
653

Table of Contents

Related product manuals