EasyManua.ls Logo

LG ACHH017VBAB - Page 20

LG ACHH017VBAB
134 pages
Print Icon
To Next Page IconTo Next Page
To Next Page IconTo Next Page
To Previous Page IconTo Previous Page
To Previous Page IconTo Previous Page
Loading...
20
LG Air-Cooled Heat Pump Inverter Scroll Chiller Installation and Owners Manual
Due to our policy of continuous product innovation, some specifications may change without notification.
©LG Electronics U.S.A., Inc., Englewood Cliffs, NJ. All rights reserved. “LG” is a registered trademark of LG Corp.
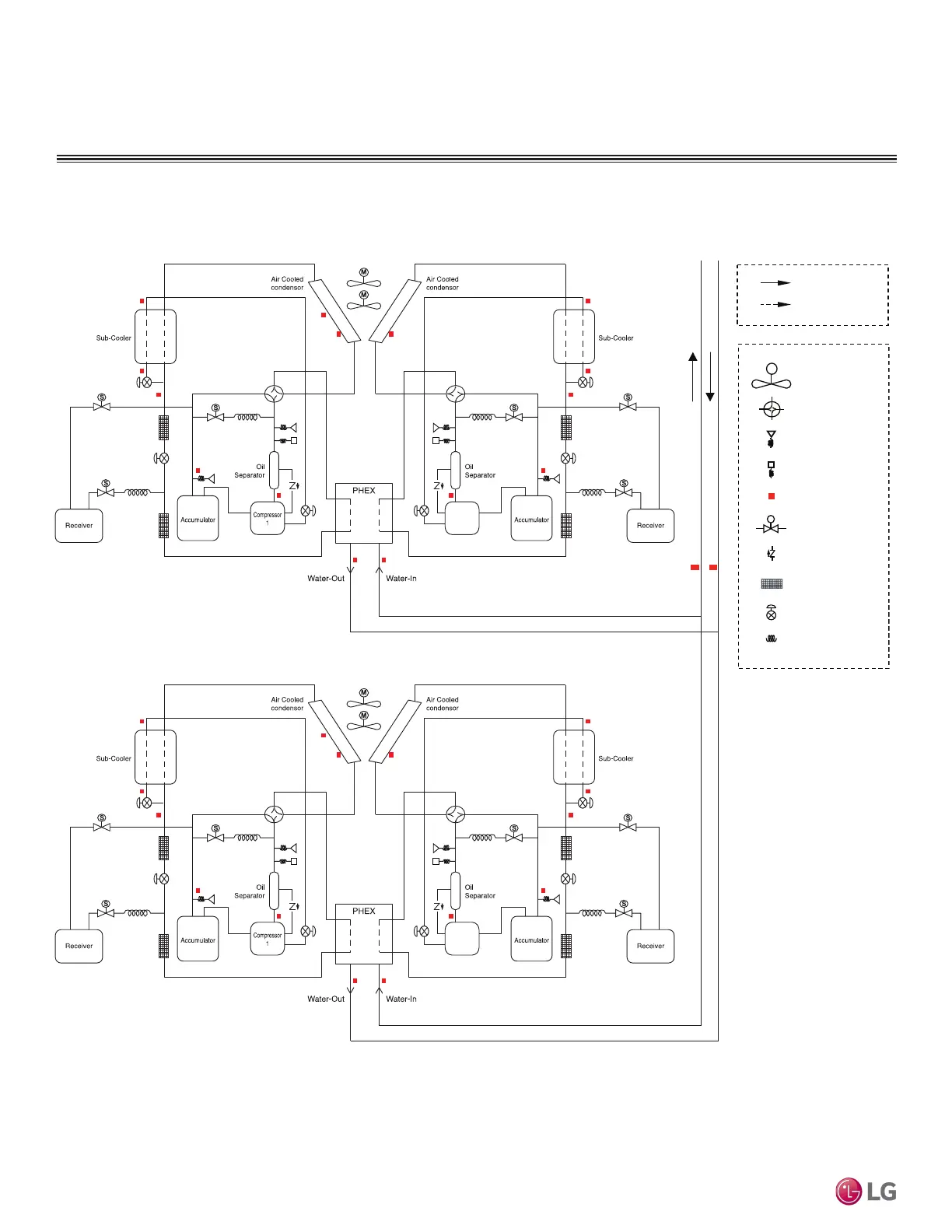
Figure 8: Dual Frame Chiller Refrigerant Piping and Sensor Location Diagram.
Refrigerant Piping and Sensor Diagram, Dual Frame
M
S
Cooling
Heating
Fan motor
4 way valve
Pressure sensor
Pressure switch
Solenoid valve
Check valve
Strainer
Electonic expantion
Valve
Expansion valve
Temperature sensor
Compressor
2
Compressor
2
REFRIGERANT PIPING AND SENSOR DIAGRAM /
OPERATION RANGE AND LIMIT

Related product manuals