EasyManua.ls Logo

LG ACHH017VBAB - Refrigerant Piping and Sensor Diagram; Operation Range and Limit

LG ACHH017VBAB
134 pages
Print Icon
To Next Page IconTo Next Page
To Next Page IconTo Next Page
To Previous Page IconTo Previous Page
To Previous Page IconTo Previous Page
Loading...
19
Product Data
Due to our policy of continuous product innovation, some specifications may change without notification.
©LG Electronics U.S.A., Inc., Englewood Cliffs, NJ. All rights reserved. “LG” is a registered trademark of LG Corp.
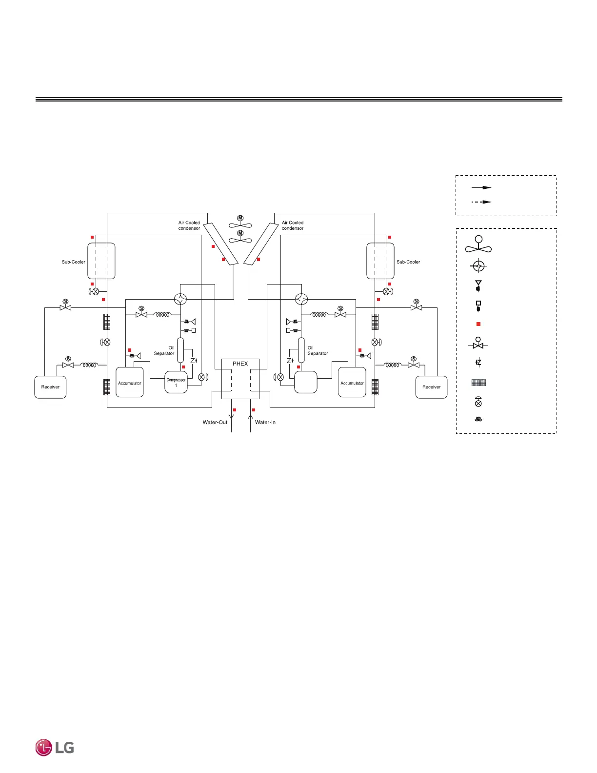
REFRIGERANT PIPING AND SENSOR DIAGRAM /
OPERATION RANGE AND LIMIT
Figure 7: Single Frame Chiller Refrigerant Piping and Sensor Location Diagram.
Refrigerant Piping and Sensor Diagram, Single Frame
M
S
Cooling
Heating
Fan motor
4 way valve
Pressure sensor
Pressure switch
Solenoid valve
Check valve
Strainer
Electonic expantion
Valve
Expansion valve
Temperature sensor
Compressor
2

Related product manuals