EasyManua.ls Logo

LG CU920 - GSM Mode: Receiver and Antenna Switching

LG CU920
212 pages
Print Icon
To Next Page IconTo Next Page
To Next Page IconTo Next Page
To Previous Page IconTo Previous Page
To Previous Page IconTo Previous Page
Loading...
LGE Internal Use Only
Copyright © 2008 LG Electronics. Inc. All right reserved.
Only for training and service purposes
3. TECHNICAL BRIEF
- 23 -
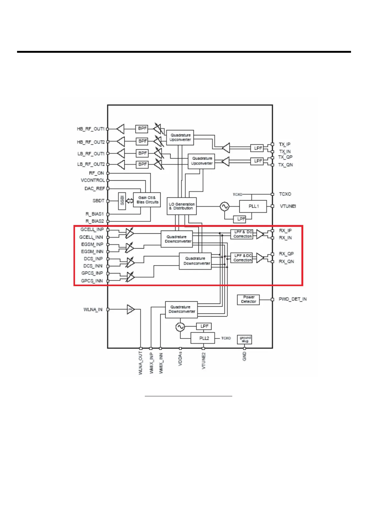
Fig. 3.2.1 RTR6275 RX feature

Other manuals for LG CU920

Related product manuals