EasyManua.ls Logo

LG CU920 - Page 22

LG CU920
212 pages
Print Icon
To Next Page IconTo Next Page
To Next Page IconTo Next Page
To Previous Page IconTo Previous Page
To Previous Page IconTo Previous Page
Loading...
LGE Internal Use Only
Copyright © 2008 LG Electronics. Inc. All right reserved.
Only for training and service purposes
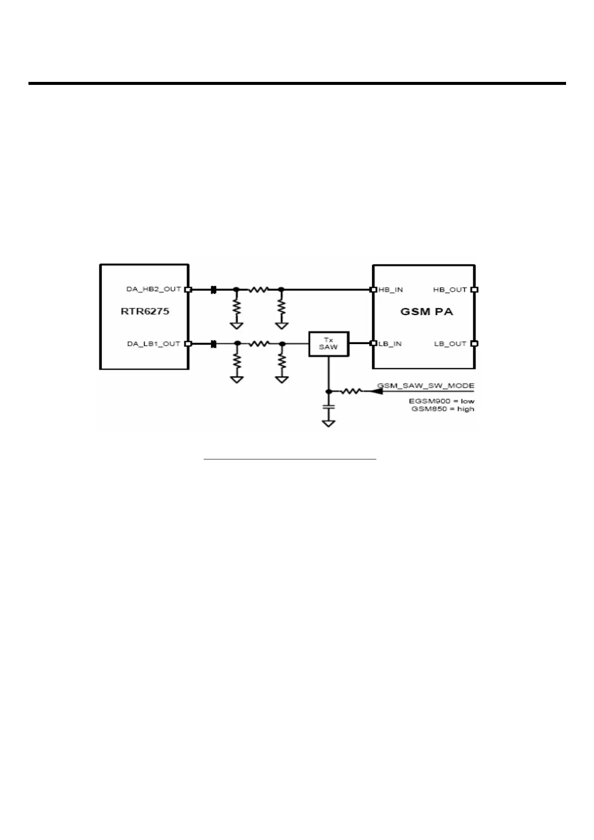
3.2.2 GSM Transmitter
The RTR6275 transmitter outputs(DA_HB2_OUT and DA_LB1_OUT)include on-chip output matching
inductors. 50ohm output impedance is achieved by adding a series capacitor at the output pins. The
capacitor value may be optimized for specific applications and PCB characteristics based on pass-band
symmetry about the band center frequency, the suggested starting value is shown in Figure 3-2-2
The RTR6275 IC is able to support GSM850/900 and GSM 1800/1900 mode transmitting. This design
guideline shows a quad-band GSM application.
Both high-band and low band outputs are followed by resistive pads to ensure that the load Presented
to the outputs remains close to 50ohm. The low-band GSM. Tx path also includes a Tx-band SAW filter
to remove noise-spurious components and noise that would be amplified by the PA and appear in the
GSM Rx band
3. TECHNICAL BRIEF
- 24 -
8282
6pF
110110
82
4pF
51
Fig. 3.2.2 GSM Transmitter matching

Other manuals for LG CU920

Related product manuals