EasyManua.ls Logo

LG D690 - Page 118

LG D690
164 pages
Print Icon
To Next Page IconTo Next Page
To Next Page IconTo Next Page
To Previous Page IconTo Previous Page
To Previous Page IconTo Previous Page
Loading...
- 118 -
Copyright © 2014 LG Electronics. Inc. All right reserved.
Only for training and service purposes
LGE Internal Use Only
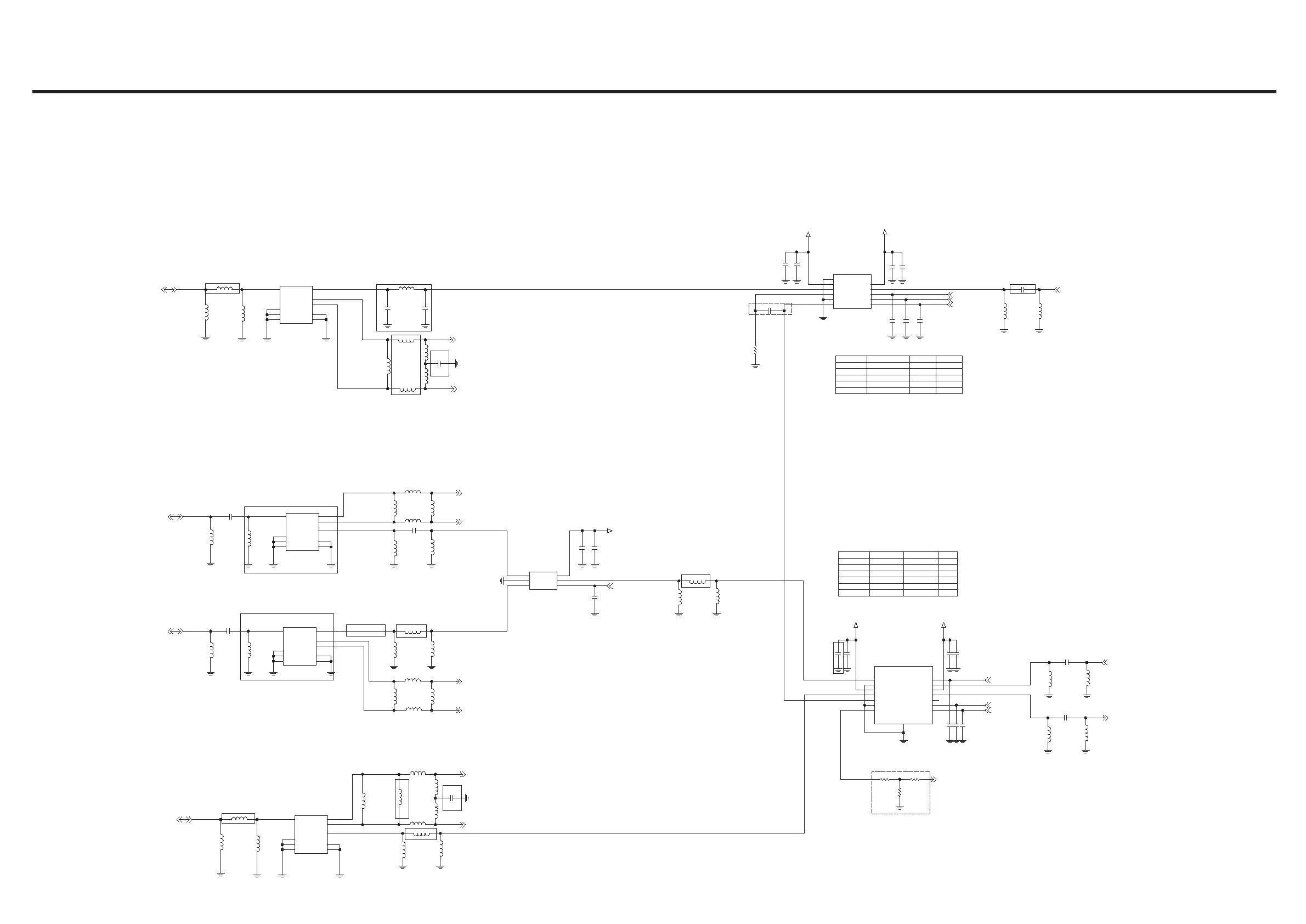
6. CIRCUIT DIAGRAM
XU_sXZ[\
sXZX_ kup
kupjXZZ]
kupsXZY_
ZsXZY`
sXZ[Y kup
sXZYW YU[
sXZX] YU[
ANT RX1
TX
GND1
GND5GND2
RX2
GND3 GND4
i_W^_msXZWZ
75
8
4 9
2
3
16
}ih{
jXZW_ X
jXZZ[ kup
kupjXZZ\
jXZXX kup
sXZX\ X
[`U`
{vsdWUWX
yXZWW
kupsXZW`
sXZW_ kup
sXZ\X XU_
sXZW\ ]U_
jXZZ` XUY
PGND
VCC1VCC2
RFINRFOUT
VMODE_1CPL_IN
VMODE_0GND
VENCPL_OUT
|XZWX
lhu]Y]_^XWX
zr^^^]X
6 5
7 4
8 3
9 2
10 1
11
YUYjXZZZ
X
Y
jXZYX kup
+2V8_MTK_VTCXO
VDDRF1
CTRL
GND
RF2
RFIN
msXZWX inzXYws]
5
1
2
6
3 4
kupjXZXZ
jXZXY kup
ZUZsXZWW
ZUZsXZWZ
XWWjXZW[
XWWjXZWY
+3V4_MTK_VPA
XjXZWZ
kupsXZW[
sXZ[_ ZU`
jXZW] XWW
sXZYX kup
jXZ[W XU\
jXZX[ kup
sXZY^ _UY
sXZ\W XU_
sXZY\ _UY
sXZ[] X
X_sXZXZ
jXZZ^
kup
+3V4_MTK_VPA
}ih{
XjXZW`
kupsXZ[X
ANT
GND2
RX_OUT2
GND1
RX_OUT1
TX_IN
GND4
GND3 GND5
msXZW\ i_\^\
lht]Y`ZW`WX
95
7
3
1
2
8
4
6
sXZY] XY
sXZ[^ X
sXZWX ZZ
Z]
yX]WZ
sXZ[` [U^
sXZYZ kup
jXZY_ Z
sXZWY kup
yX]WX
Y^
{vsdWUWX
kupsXZY[
RFIN_LB
GND1
VEN_LB
RFOUT_HB
CPL_OUT
VBATT
VEN_HB
VCC
RFIN_HB
VMODE
NCCPL_IN
RFOUT_LB
GND2
PGND
zr^^^\_|XZWW
15
13
14
10 5
6
4
12
7
3
8
11
1
9
2
sXZXX kup
jXZWW XY
yX]WY
{vsdWUWX
Y^
XsXZXW
sXZX[ kup
kupsXZYY
sXZW^ kup
kupsXZW]
jXZWX XWW
jXZXW YUY
ANT RX1
TX
GND1
GND5GND2
RX2
GND3 GND4
i_\\ZmsXZWW
lht]Y\XW`WX
75
8
4 9
2
3
16
ANT
GND2
RX_OUT2
GND1
RX_OUT1
TX_IN
GND4
GND3 GND5
msXZWY i_\X\
95
7
3
1
2
8
4
6
lht]Y_`WZWX
jXZZY X
sXZZ]
kup
kupsXZZ\
sXZ[Z
XY
sXZ[W
kup
kupsXZZ`
ZZjXZY^
sXZZ_
kup
sXZZ^ kup
jXZZX X
jXZW^ X
sXZX^ \U]
sXZXY [U^
jXZZ_ X
sXZX` \U]
ZnyiYw
{tvk|sl{yZ
Zn{oiY
ZnwhiYlu
ZnwhiXlu
Zn{oiX
whtvklzlsX
ZnyiXw
ZnyiXu
ZnyiYu
{tvk|sl{y[
Zn{si
Znyi\u
Znyi\w
Znyi_w
Znyi_u
{tvk|sl{yY
whtvklzlsW
whtvklzlsW
Znsi{z~
Znwhsilu
{tvk|sl{yX
wkl{pu
}lusi}luoi
}tvkl
iYGswt
iYGowt
whGsvnpjGiYVi\Vi_
}luOZnwhiXluP
}tvklX}tvklW
whGsvnpjGiX
pGzGwhGGujSGjXZZ^dW
XWiGhU
jGz¡GXWW\GTeGW]WZGmGw
YWX[GW[GWZGGsG
YWX[GW[GWZGGsG
B5
Low : RF1
sXZX_GGGkw
B5 TRX
X[WZY^jGGokr
High : RF2
Pin(limit):35dBm
cG{yiXiYi\i_xGGe
B8
sXZY]GGGkw
B8 TRX
sXZY`GGGkw
WUY
X[WZY^jGGokr
jGz¡GXWW\GTeGW]WZGmGw
CPL factor(LB) : 20.5 - 21.5dB
CPL factor(HB) : 19.5dB
WU]
B1
X[WZY^jGGokr
X[WZXYjGGokr
X[WZYWjG}Gt{r
GGGGZnGwh
jjkzJGaGXT[TZT[GyWUZ
sXZZYGGGkw
sXZW\GGGkw
X[WZY^jGGokr
sXZXYGGGkw
B2 TRX
B2
B1
B1 TRX
o
o
o
o
o
s
s
T
s
T
s
s
s
swGtvkl
twGtvkl
owGtvkl
zo|{Gkv~u
z{hukTi
wv~lyGtvkl
o
s
wv~lyGtvkl
z{hukTi
i\Vi_Gowt
i\Vi_Gswt
s
o
T
s
s
zo|{Gkv~u
s
s
o
o
o
o
o
s
s
s
s
s
s
sXZ[[ ZUZ jXZZW XU_
yGXUW
yGXUWyGXUW
yGXUW
yGXUW
yGXUW
yGXUW
yGXUW

Related product manuals