EasyManua.ls Logo

LG LAS950M - Circuit Diagrams

LG LAS950M
93 pages
Print Icon
To Next Page IconTo Next Page
To Next Page IconTo Next Page
To Previous Page IconTo Previous Page
To Previous Page IconTo Previous Page
Loading...
2-382-37
A
1
2
3
4
5
6
7
8
9
10
11
12
B C D E F G H I J K L M N O P Q R ST
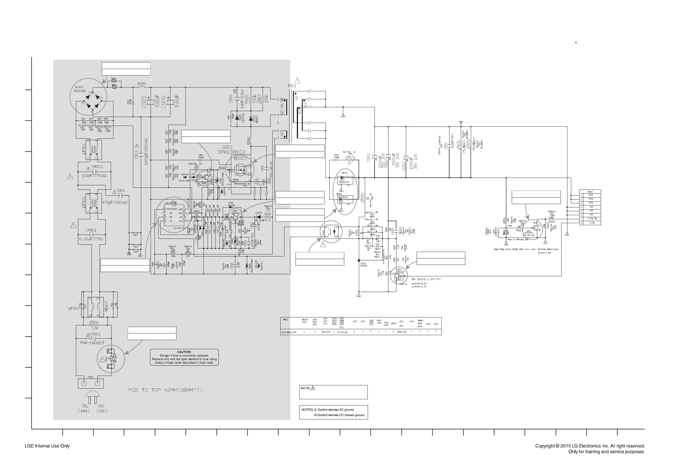
No Power
BD901 is Defective
No Power
Q905 is Defective
No Power
Q901 is Defective
No Power
Q903 is Defective
No Power
D917, D918 are Defective
Switching Error
IC901 is Defective
Switching Error
PC901 is Defective
Voltage Error
Q902 is Defective
Voltage Error
Q904 is Defective
No Power
F901 is Defective
SMPS
EAX66106001 Rev1.8(20)
2014.12.10
Warning
Parts that are shaded are critical with
respect to risk of fire or electrical shock.
CIRCUIT DIAGRAMS
1. SMPS CIRCUIT DIAGRAM
WHEN SERVICING THIS CHASSIS, UNDER NO
CIRCUMSTANCES SHOULD THE ORIGINAL
DESIGN BE MODIFIED OR ALTERED WITHOUT
PERMISSION FROM THE LG CORPORATION. ALL
COMPONENTS SHOULD BE REPLACED ONLY WITH
TYPES IDENTICAL TO THOSE IN THE ORIGINAL
CIRCUIT. SPECIAL COMPONENTS ARE SHADED
ON THE SCHEMATIC FOR EASY IDENTIFICATION.
THIS CIRCUIT DIAGRAM MAY OCCASIONALLY
DIFFER FROM THE ACTUAL CIRCUIT USED. THIS
WAY, IMPLEMENTATION OF THE LATEST SAFETY
AND PERFORMANCE IMPROVEMENT CHANGES
INTO THE SET IS NOT DELAYED UNTIL THE NEW
SERVICE LITERATURE IS PRINTED.
1. Shaded( ) parts are critical for safety. Replace only
with specified part number.
2. Voltages are DC-measured with a digital voltmeter
during Play mode.
IMPORTANT SAFETY NOTE :

Table of Contents

Other manuals for LG LAS950M

Related product manuals