EasyManua.ls Logo

LG LD1455WLFCS2 - Wiring Diagram

LG LD1455WLFCS2
63 pages
Print Icon
To Next Page IconTo Next Page
To Next Page IconTo Next Page
To Previous Page IconTo Previous Page
To Previous Page IconTo Previous Page
Loading...
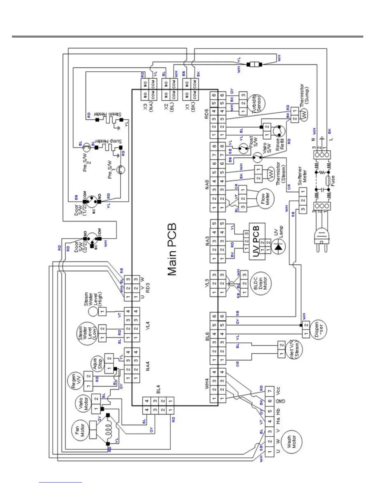
5. WIRING DIAGRAM
19