EasyManua.ls Logo

LG Low Ambient Control Kit - Setting and Using Method; Wiring Diagram

LG Low Ambient Control Kit
29 pages
Print Icon
To Next Page IconTo Next Page
To Next Page IconTo Next Page
To Previous Page IconTo Previous Page
To Previous Page IconTo Previous Page
Loading...
Setting and Using Method
12 Low Ambient Control Kit
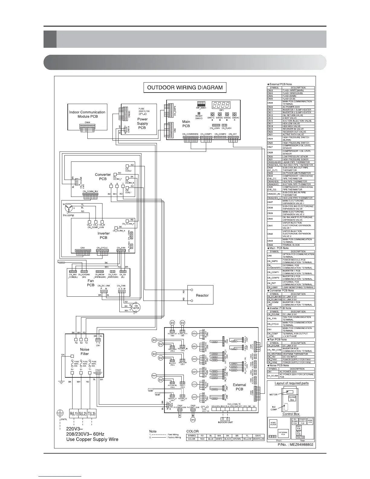
1. Wiring Diagram
Setting and Using Method

Related product manuals