EasyManua.ls Logo

LG LSC26905TT - Page 28

LG LSC26905TT
145 pages
To Next Page IconTo Next Page
To Next Page IconTo Next Page
To Previous Page IconTo Previous Page
To Previous Page IconTo Previous Page
Loading...
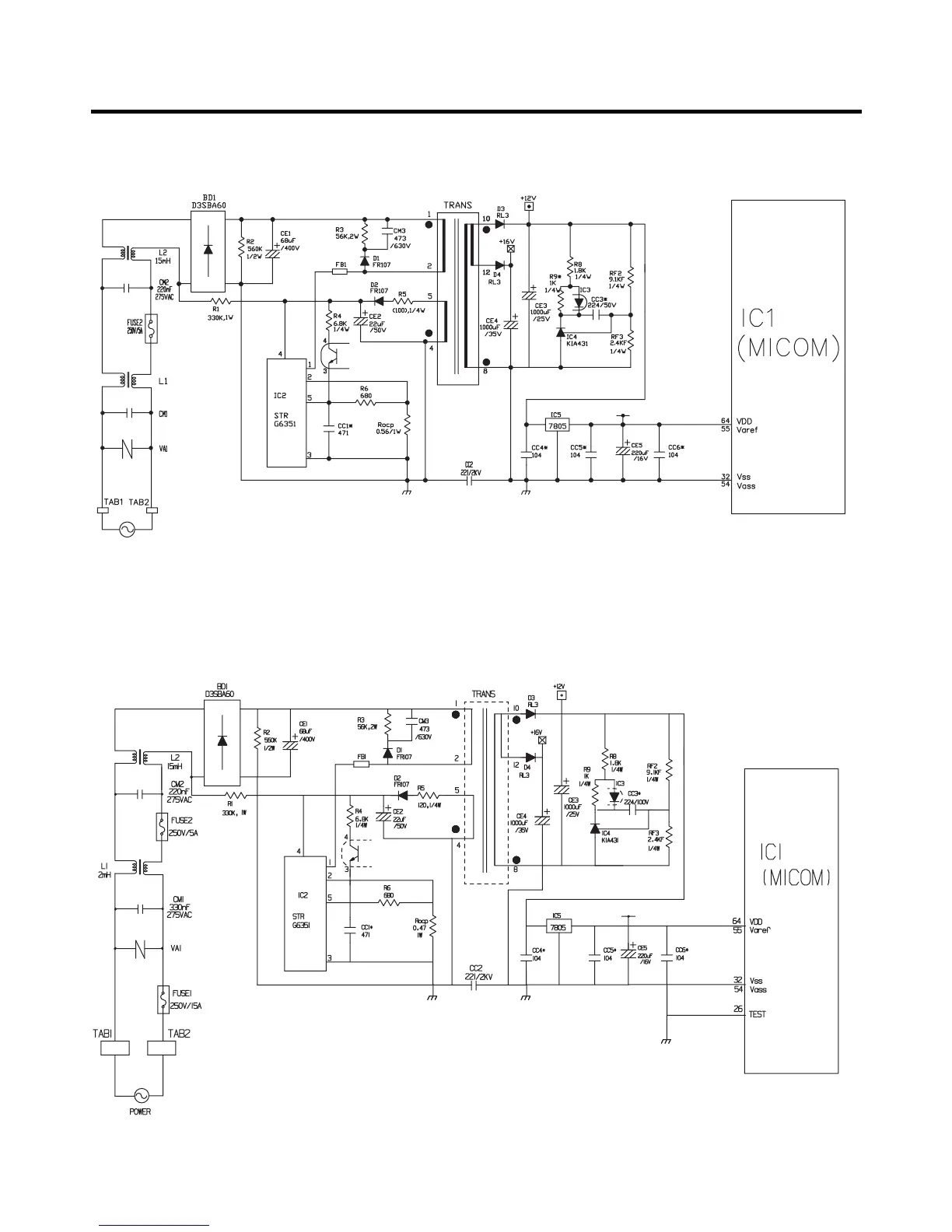
(2) GR-L267BV(T)RA (Refer to appendix)
(3) GR-L267BV(T,S)PA (Refer to appendix)
EXPLANATION FOR MICOM CIRCUIT
- 33 -

Table of Contents

Related product manuals