EasyManua.ls Logo

LG LSC26905TT - Page 33

LG LSC26905TT
145 pages
To Next Page IconTo Next Page
To Next Page IconTo Next Page
To Previous Page IconTo Previous Page
To Previous Page IconTo Previous Page
Loading...
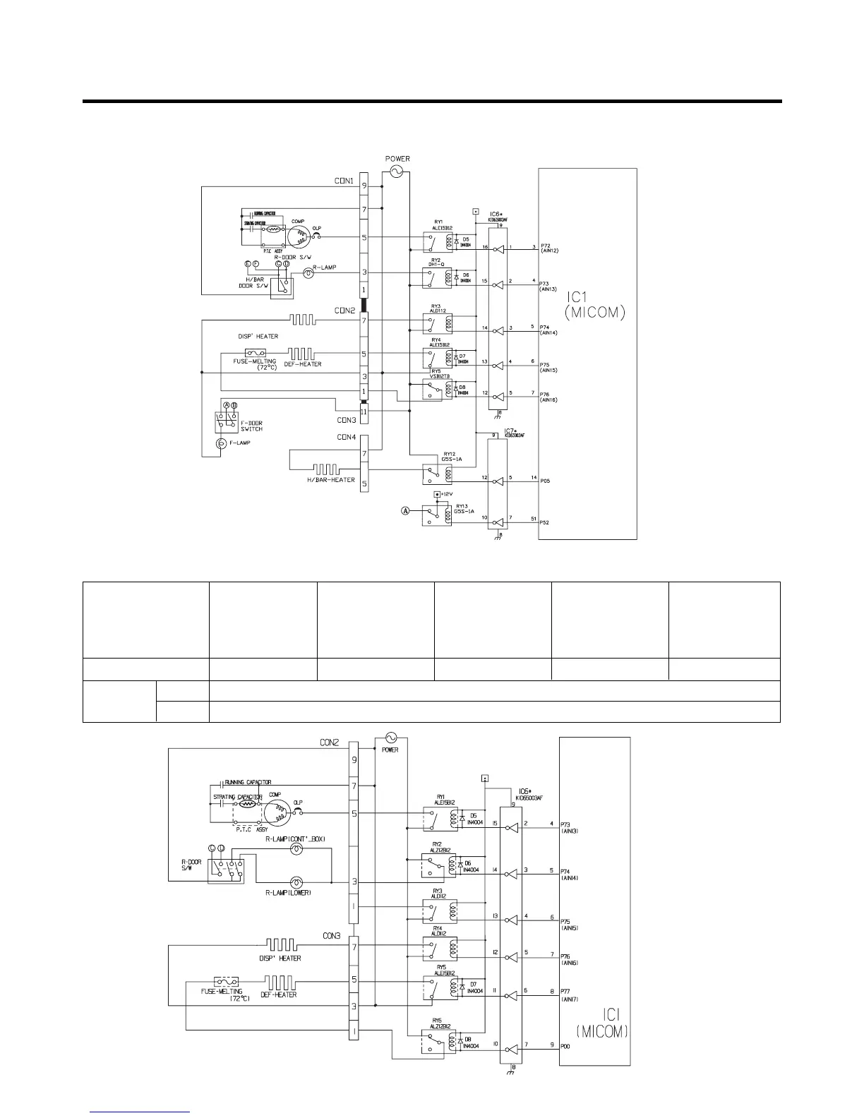
(3) GR-L267BV(T)RA (Refer to appendix)
(4) GR-L267BV(T,S)PA
(Refer to appendix)
EXPLANATION FOR MICOM CIRCUIT
- 38 -
Measuring part (IC6) IC6-15 IC6-11 IC6-10 IC6-14 IC6-12
Status
ON Within 1 V
OFF 12 V
Type of Load Compressor
Frost Removal
Heater
AC Converting
Relay
Refrigerator
LAMP
Dispensor
Heater

Table of Contents

Related product manuals