EasyManua.ls Logo

LG LSC26905TT - Page 35

LG LSC26905TT
145 pages
To Next Page IconTo Next Page
To Next Page IconTo Next Page
To Previous Page IconTo Previous Page
To Previous Page IconTo Previous Page
Loading...
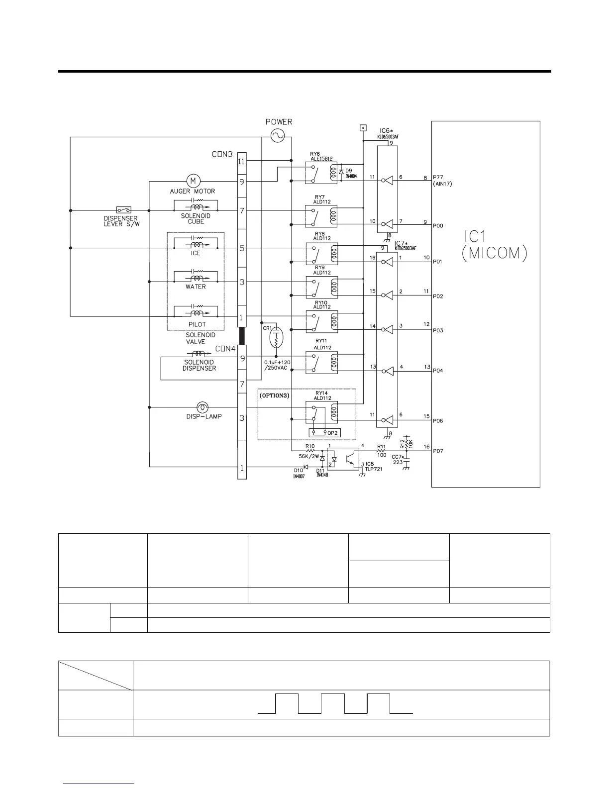
(2) GR-L267BV(T)RA (Refer to appendix)
1) Check load driving status
2) Lever Switch sensing circuit
EXPLANATION FOR MICOM CIRCUIT
- 40 -
Measuring part
Lever S/W
IC1(MICOM) (No. 16)
ON (Press)
OFF 5V
0 V
(60 Hz)
5 V
Measuring part IC6-11 IC6-10 IC7-15 IC7-13
Status
ON Within 1 V
OFF 12 V
Type of Load
GEARED
MOTOR
SOLENOID
CUBE
WATER VALVE
WATER
SOLENOID
DISPENSER

Table of Contents

Related product manuals