EasyManua.ls Logo

Linde E 20-02 - Page 87

Linde E 20-02
96 pages
Print Icon
To Next Page IconTo Next Page
To Next Page IconTo Next Page
To Previous Page IconTo Previous Page
To Previous Page IconTo Previous Page
Loading...
85
336 804 3001.0704
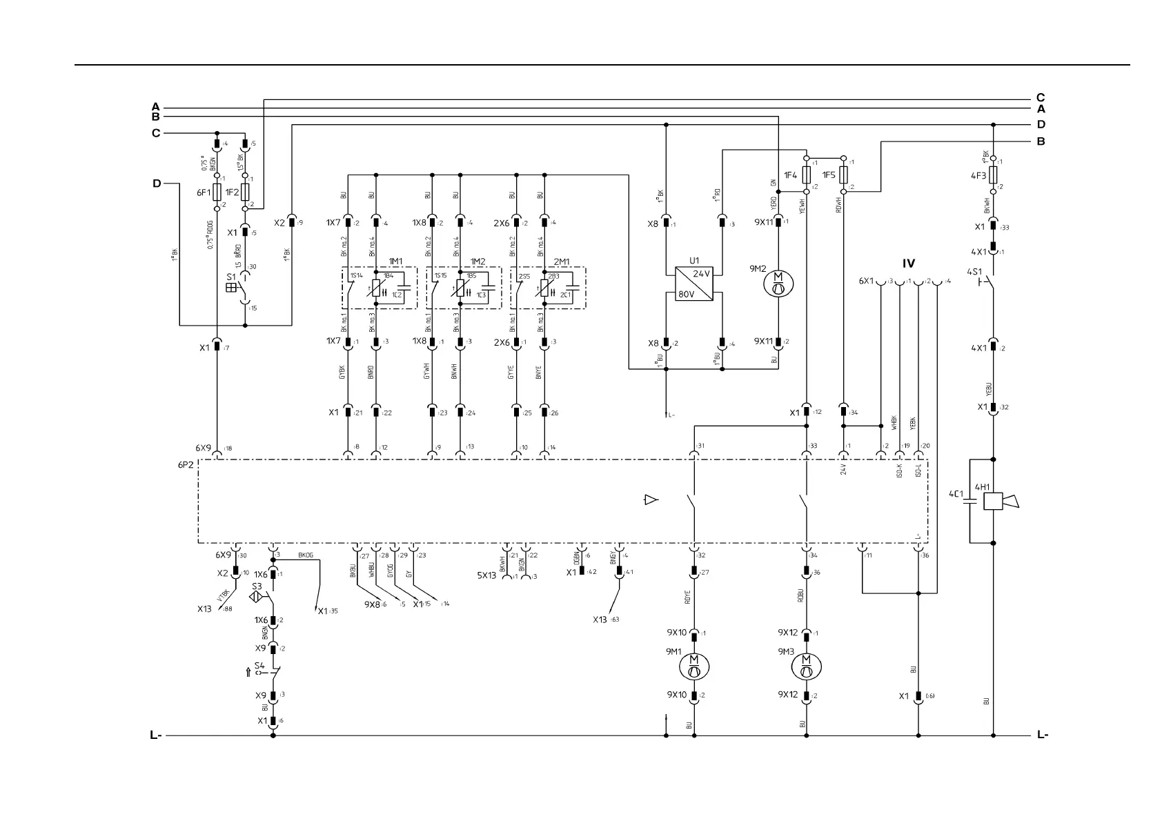
Electric circuit diagram (standard equipment)
336 802 6006a_2

Table of Contents

Related product manuals