EasyManua.ls Logo

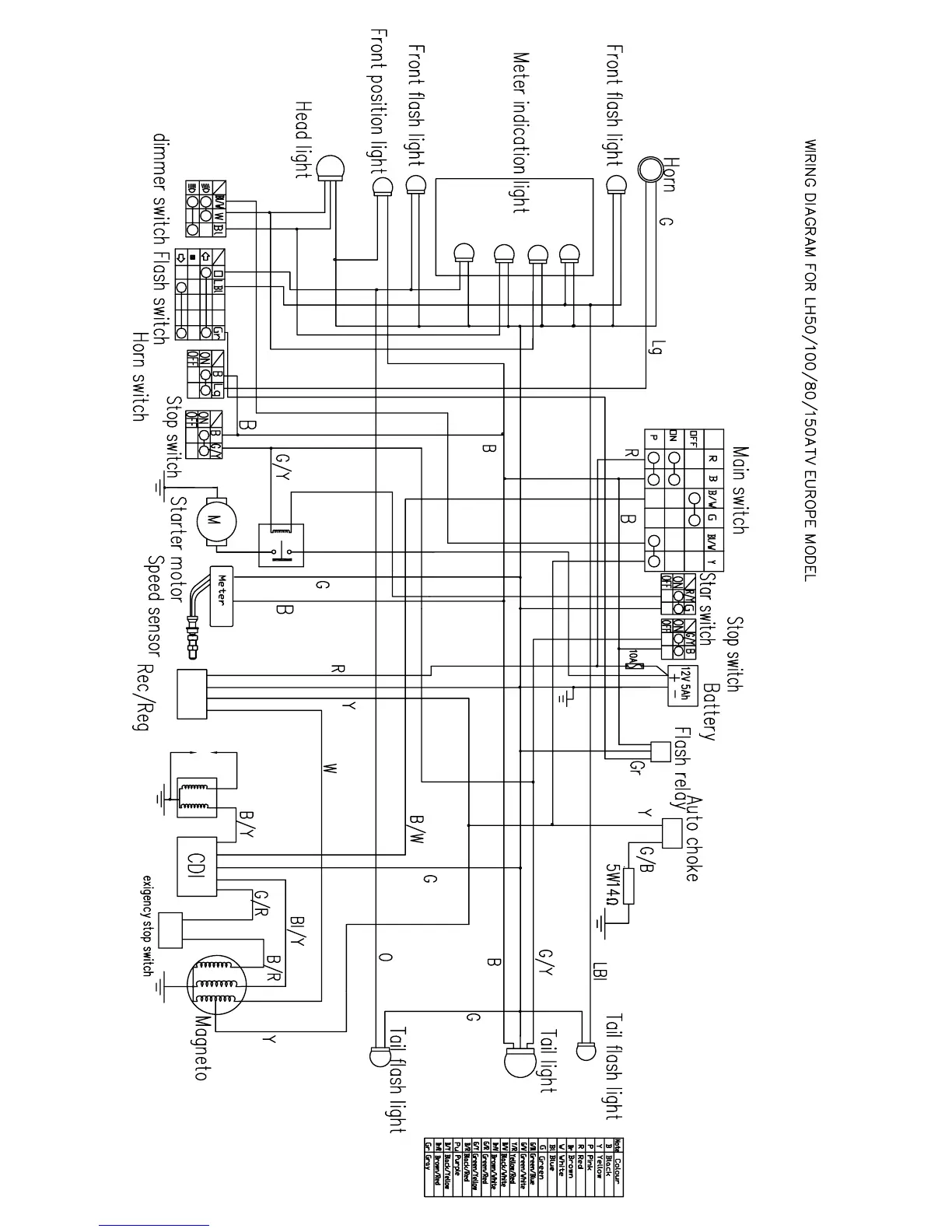
Linhai ATV 300 B-type - Wiring Diagram for LH50;100;80;150 ATV Europe Model

Linhai ATV 300 B-type
341 pages
Print Icon
To Next Page IconTo Next Page
To Next Page IconTo Next Page
To Previous Page IconTo Previous Page
To Previous Page IconTo Previous Page
Loading...

Table of Contents

Related product manuals