EasyManua.ls Logo

Loewe 56435 - Control Menu (CTA)

Loewe 56435
113 pages
Print Icon
To Next Page IconTo Next Page
To Next Page IconTo Next Page
To Previous Page IconTo Previous Page
To Previous Page IconTo Previous Page
Loading...
62
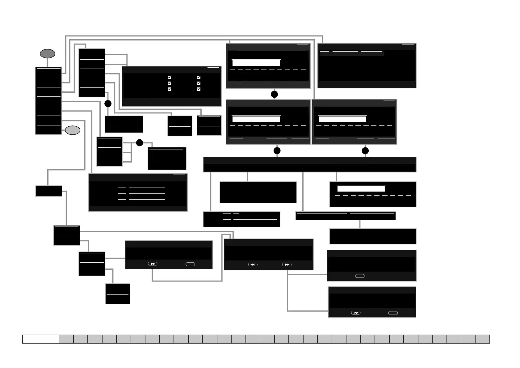
Menü-Bedienung (CTA)
Springe zu: LOC HOA HOB TVA TVB RA VD SRA SRB MB EP AF PI AU ST CTA CTB NMA NMB NMC COA COB COC COD ANA ANB EX MU HOT SVA
Sprache
zurück
Menü Untertitel (DVB) Audio (DVB)
Deutsch
English
Francais
:
(de)
(en)
(fr)
Eλληνικά
Polski
Magyar
:
(el)
(pl)
(hu)
Svenska
Dansk
Português
:
(sv)
(da)
(pt)
zurück
1
löschen übernehmen abbrechen
Kindersicherung
234567890
Bitte eine 4-stellige Geheimnummer ........
zurück
1
löschen bestätigen abbrechen
Kindersicherung
234567890
Bitte eine 4-stellige Geheimnummer ........
Ab jetzt
Täglich
nein ja
nein ja, von hh:mm bis hh:mm
1 Das Erste
2 ZDF
3 :
13 xxxxxxx
14 xxxxxxx
15 :
Keine altersabhängige Sperre Spezielle Sicherungsstufe
3 Jahre 7 Jahre 11 Jahre 15 Jahre
: : : :
Senderaus-
wahl TV
Senderaus-
wahl Radio
TV ein bei
Vormerkung
Datenbank
löschen
Datenerfas-
sung
Kindersicherung
zurück
alle Sender sperren einzelne Sender sperren Altersabhängig sperren Geheimnummer ändern deaktivieren rücksetzen
1
234567890
zurück
1
löschen übernehmen abbrechen
Kindersicherung
234567890
Bitte wiederholen Sie die 4-stellige ...........
aus
ein
ja
nein
Löschen ausführen?
ja nein
Sprache
Kinder-
sicherung
Energie-
effizienz
Schnellstart-
Mode
Software
EPG
weitere ...
Home-
Mode
Premium-
Mode
Shop-Mode
Wenn Sie den Mode
ändern ..............
ja nein
Sie können hier festlegen zu welchen Zeiten .......
Zeitraum 1
Zeitraum 2
Zeitraum 3
Schnellstart-Mode
zurück
nein ja, von 06:00 bis 09:00
nein ja, von 11:00 bis 15:00
nein ja, von 18:00 bis 21:00
Software-
Update
Über USB
Über
Internet
Update
starten
Über neue
Software
informieren
ja
nein
Es besteht die Möglichkeit über das Internet ......
SOFTWARE-UPDATE-ASSISTENT - Datenschutz
Weiter mit Beenden mit BACK
Aktuelle Software: V X.X.X.X
Um eine neue Software zu laden .......
SOFTWARE-UPDATE-ASSISTENT - Aktuelle Software
Zurück mit Weiter mit
Es wurde keine neue Software gefunden.
Hinweis
Beenden mit BACK
Eine neue Software wurde gefunden.
Neue Software: VX.X.X.X
Neue Software
Weiter mit Beenden mit BACK
1 Das Erste
2 ZDF
3 xxxxxxx
4 :
Senderauswahl xxx
zurück
12 xxxxxxx
13 xxxxxxx
14 xxxxxxx
15 :
23 xxxxxx
24 xxxxxx
25 xxxxxx
26 :
alle markieren alle Markierungen aufheben < DVB-C >
Erster Aufruf
CTA1
CTB1
OK
OK
OK
OK
OK

Table of Contents

Related product manuals