EasyManua.ls Logo

Lull 944E-42 - Page 122

Default Icon
266 pages
Print Icon
To Next Page IconTo Next Page
To Next Page IconTo Next Page
To Previous Page IconTo Previous Page
To Previous Page IconTo Previous Page
Loading...
Hydraulic System
8-6
944E-42
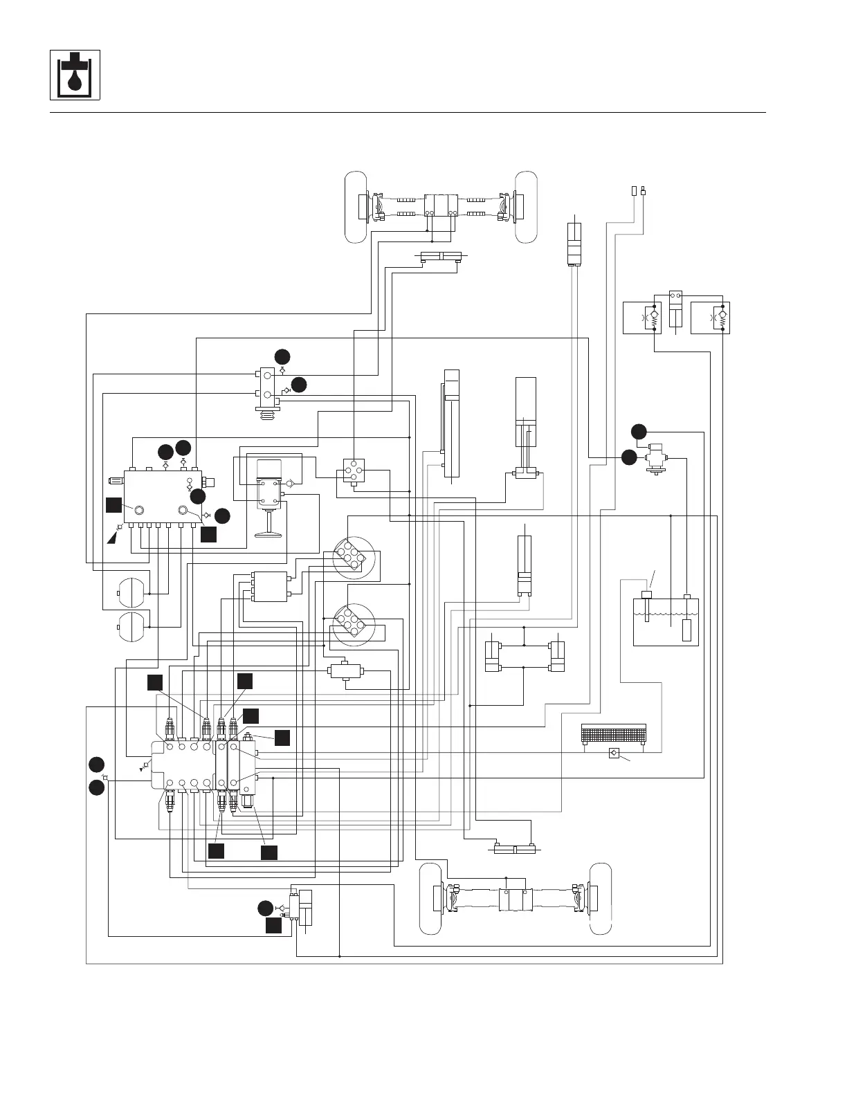
c. Hydraulic Testing - Dual Joysticks
MU6830
A
4
6
5
7
G
3
8
9
C
FRONT STEERING
CYLINDER
ATTACHMENT TILT
CYLINDER
REAR STEERING
CYLINDER
FRONT AXLE
REAR AXLE
HYDRAULIC
RESERVOIR
PUMP
MAIN
CONTROL
VALVE
LIFT/LOWER
CYLINDER
LEFT
SLAVE
CYLINDER
EXTEND/
RETRACT
CYLINDER
RIGHT
SLAVE
CYLINDER
POWER
STEERING
UNIT
OPERATOR'S CAB
FRAME SWAY
CYLINDER
FTR FTB
AUXILIARY
HYDRAULICS
BRAKE
VALVE
P
P
A
A
T
STABILIZER
CYLINDER
FTR
V
P
T
G1
ACCUMULATORS
HYDRAULIC
OIL COOLER
ER
R
E
RE
TRANSFER
CYLINDER
Ø .041 Ø .048
1
2
3
4
T
P
1
2
3
4
T
P
R
E
R
E
R
E
R
T
P
L
LS
ACCUMULATOR
CHARGE/SECONDARY
FUNCTION VALVE
LS
DRAIN P1
LSG
ACR
SW P
ACFEFCF PILPB
PBG
PPG
SW
PILOT SELECT
VALVE
P1
P2
B1
B3
A1
A3
STEER
SELECTOR
VALVE
P
R
1
2
DRAIN
FRONT JOYSTICK
REAR JOYSTICK
FRAME SWAY
JOYSTICK
P
T
21
BRIDGE DRAIN
OUTLET
INLET
TANK
1b
1a
F
D
D
B
RV
PR
10
2
CHECK VALVE
85 PSI (5,9 bar)
RETURN FILTER
25 PSI (1,7 BAR)
BYPASS
CHECK VALVE
BB
AA
E
(8)
ATTACH
TILT
FRAME
EXT/RET
LFT/LWR
AUX
TRANS

Table of Contents

Related product manuals