EasyManua.ls Logo

Lull 944E-42 - Hydraulic Schematic, 944 E

Default Icon
266 pages
Print Icon
To Next Page IconTo Next Page
To Next Page IconTo Next Page
To Previous Page IconTo Previous Page
To Previous Page IconTo Previous Page
Loading...
Hydraulic System
8-12
944E-42
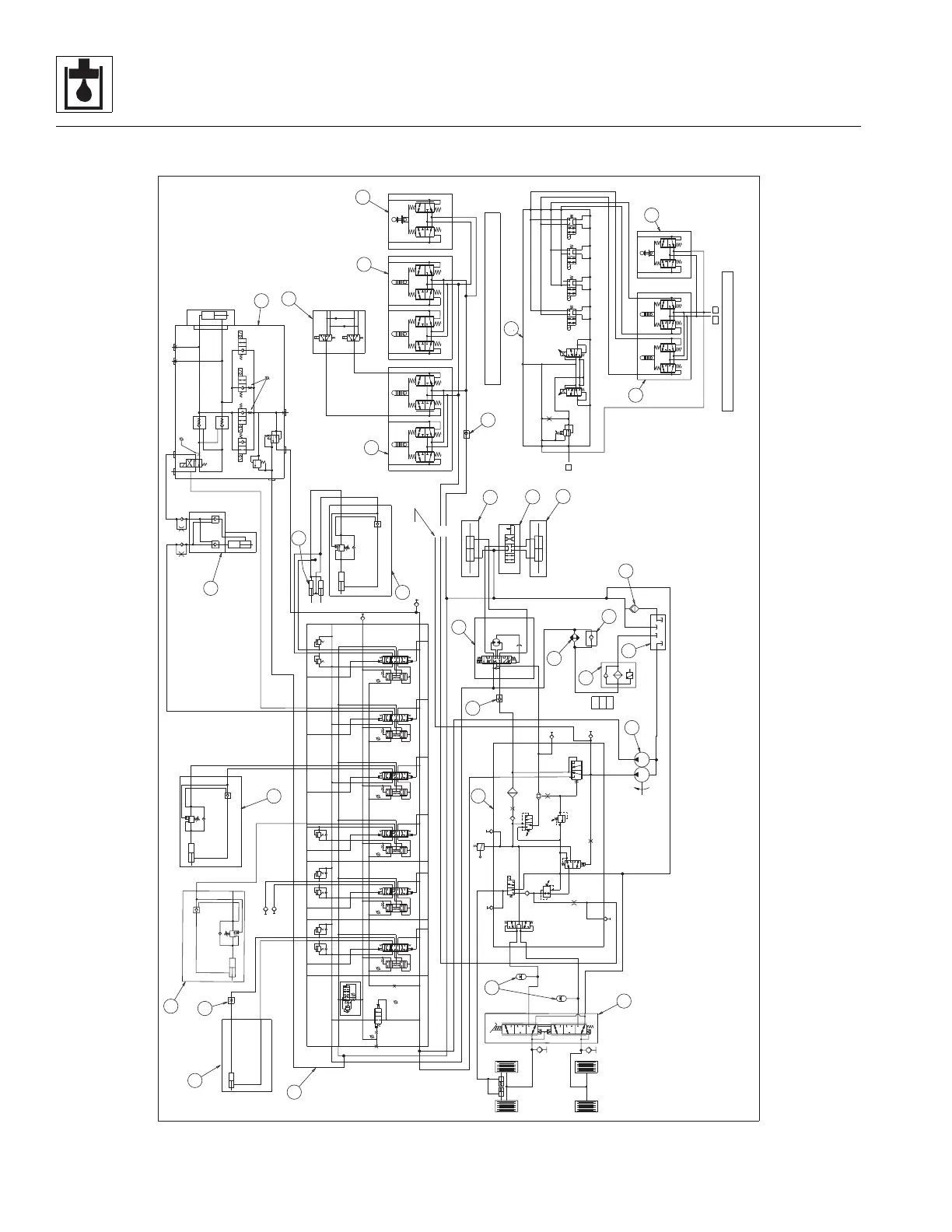
8.4.2 Hydraulic Schematic, 944E
P
P1L
T
DUAL JOYSTICK CONFIGURATION
FOR SINGLE JOYSTICK
OPTION ONLY
FRAME TILT
STABILTRAK
HOIST
EXTEND
TRANSACTION
ATTACHMENT TILT
FEMALE (RH)
MALE (LH)
6A 6B
LS GAUGE
T GAUGE
5B5A
0.02
FORK TILT
4B4A3B3A
0.02
0.02
EXTEND
HOIST FRAME TILT
2A 2B
1B1A
AUXILIARY
0.02
TRANSACTION
0.02
.039
LSRV
BRIDGE
DRAIN
.098
INLET/UNLOADER
0.031
0.02
TA
TB
AUX1
AUX2
EA
EB
HA
HB
FTA
FTB
CTA
CTB
a
P
B
T
A
b
FRONT
REAR
4 WHEEL
STEER
CRAB
STEER
ACF
ACR
SW
PPG
PIL
DRAIN
PD
PBG
CV2
PR
S2
SV
PB
P
EC
P1
.032 DIA.
RV
UP
FILTER
CV1
SW1
EF
LSG
LS
CF
60
PSI
.032 DIA.
.052 DIA.
.052 DIA.
1.8CIR
1.4CIR
FRONT WHEEL BRAKE
REAR WHEEL BRAKE
3
4
FWD.
BACK
2
1
P
T
LEFT
RIGHT
RIGHT
LEFT
6
5
FTB
FTA
P
T
3
4
FWD.
BACK
2
1
P
T
LEFT
RIGHT
EB
EA
HAHB
P1P2CTA
CTB
.020
P2
P1
A3
.020
A1
B3
B1
TA
AUX2
TB
AUX1
11
12
14
12
21
22
20
19
18
17
16
10
G3G2
CYL2
CYL1
2A
12B4B
11
4A
11
G1
.060
2B
3
FTR
V
T
.030
P
12A
A
T
P
A
P
25
24
23
26
1
5
8
8
7
2
3
4
6
FTB
FTR
.048 .041
R
L
T
P
LS
19.0
CIR
28
29
27
P1L
T
P
SINGLE JOYSTICK CONFIGURATION
3
4
FWD.
BACK
2
1
P
T
LEFT
RIGHT
RIGHT
LEFT
6
5
FTB
FTA
P
T
T1
CTA
CTA
3
T
P
CTB
11
4
2
4
2
CTB
3
HO
AUX1EAHBHA
2
1
4
3
EXT
EB
4
1
3
2
AX
AUX2 TA
TR
4
1
2
3
4
3
TB
1
2
2
.020
PSI
450
OR1
4
3
1
11
15
13
MU7430B

Table of Contents

Related product manuals