EasyManua.ls Logo

Lull 944E-42 - Page 135

Default Icon
266 pages
Print Icon
To Next Page IconTo Next Page
To Next Page IconTo Next Page
To Previous Page IconTo Previous Page
To Previous Page IconTo Previous Page
Loading...
8-19
944E-42
Hydraulic System
3. Remove the three capscrews (10) securing the main
control valve to the valve plate.
4. Remove the main control valve from the valve plate by
sliding the valve out between the valve plate and the
bottom of the cab.
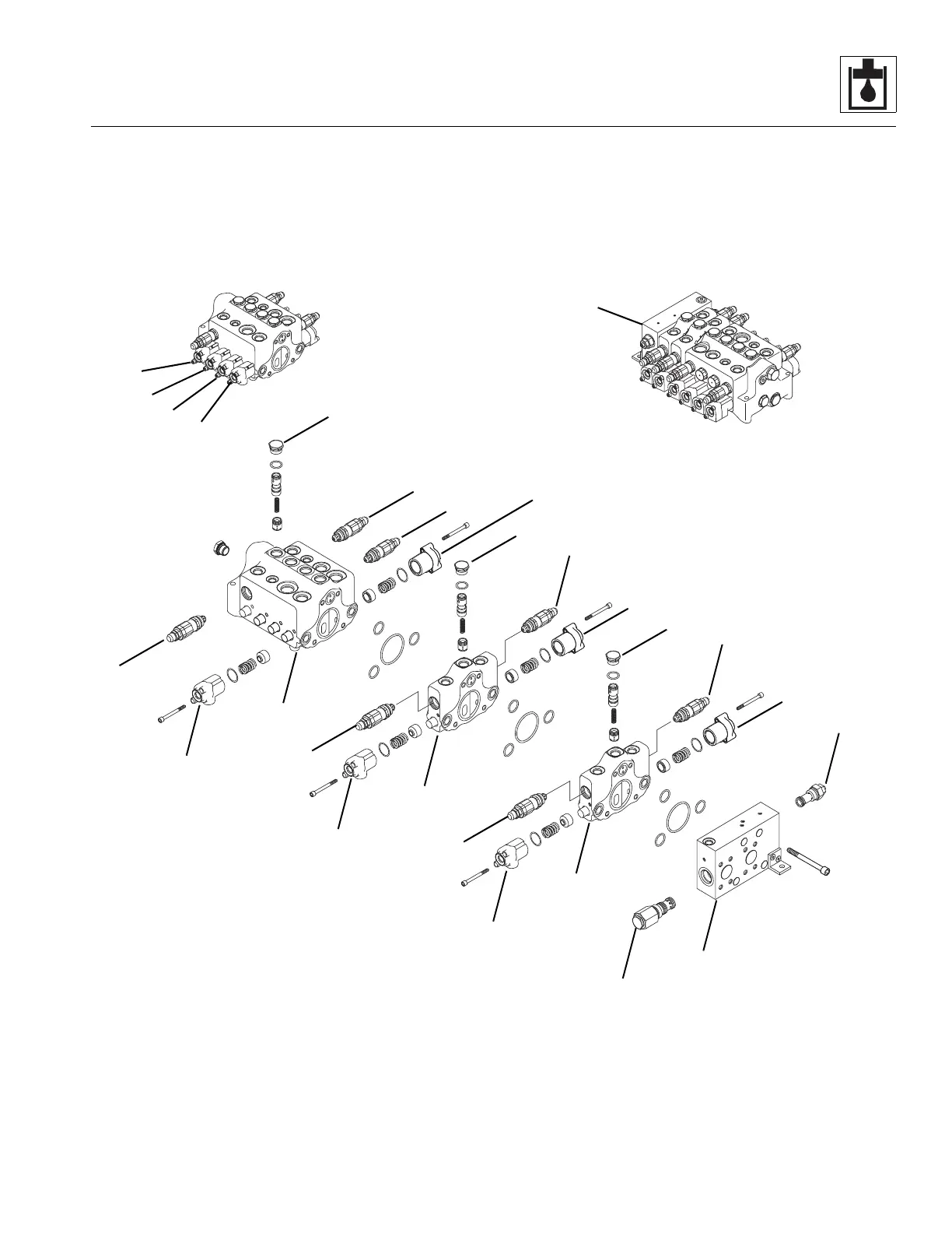
b. Main Control Valve Disassembly
1. To disassemble the individual sections of the main
control valve (11), remove the four hex socket head
capscrews which hold the inlet section (12), transfer
carriage section (13), auxiliary hydraulic section (14)
to the mono block section.
Note: Refer to Section 8.3.1, “Pressure Checks and
Adjustments.” to properly test and reset any relief valve
pressure settings if necessary.
MU4101
11
12
13
14
15
15
16
18
15
15
17
17
17
17
18
19
20
22
21
23
24
24
24
25
25
15
(MAIN RELIEF)
26
“A”
“B”

Table of Contents

Related product manuals