EasyManua.ls Logo

MacDon 5020 - Tractor Preparation for Attachment

MacDon 5020
82 pages
Print Icon
To Next Page IconTo Next Page
To Next Page IconTo Next Page
To Previous Page IconTo Previous Page
To Previous Page IconTo Previous Page
Loading...
Form # 147008 Issue 12/05
14
OPERATION
PREPARING THE TRACTOR
1. Select proper tractor size. The minimum power
required is: 12 ft. - 60 hp (45 kw)
14 ft. - 75 hp (56 kw)
16 ft. - 90 hp (68 kw)
Tractor drawbar capacity must exceed:
12 ft. – 1300 lb. (5785 N)
14 ft. – 1030 lb. (4580 N)
16 ft. – 1100 lb. (4895 N)
Also, minimum hydraulics required are 1750 psi
(12000 kPa) pressure with double acting, dual
remote capability.
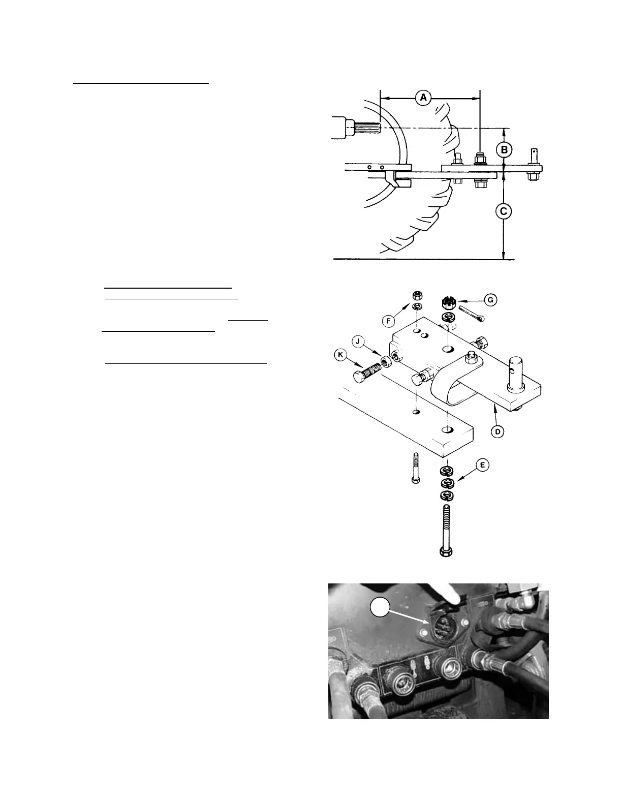
2. Adjust tractor drawbar to meet ASAE Standard
specifications as listed below. An improperly
located drawbar may affect header flotation
and guard angle.
(A) 14 in. (356 mm) for 540 rpm.
16 in. (406 mm) for 1000 rpm.
(B) 6 to 12 in. (152 to 305 mm) with 8 in.
(203 mm) recommended.
(C) 13 to 17 in. (330 to 432 mm) from ground
with 16 in. (406 mm) recommended.
3. Secure the drawbar so the hitch pinhole is
directly below the driveline.
NOTE: If the tractor has a three-point hitch,
raise the lower links as high as possible to
prevent damage.
4. Attach the drawbar extension (D) to the tractor
drawbar.
IMPORTANT: To prevent damage to the pump
and hose assembly, do not operate the
machine without the drawbar extension. Use
washers (E) as required depending on drawbar
thickness.
Tighten 5/8 nut (F) to 160 ft.lbs. (215 N·m)
torque.
Tighten 1 inch slotted nut (G) to 630 ft.lbs.
(850 N·m) torque. Further tighten nut (G) to
align slot with hole and install cotter pin.
Back off nuts (J) and turn in four bolts (K) until
snug against tractor drawbar. Tighten nuts (J)
to secure the position.
5. Use proper PTO speed (540 or 1000)
depending on windrower options.
6. Tractor must be equipped with a seven terminal
outlet (H) to supply power to the windrower's
warning lights.
ATTACH DRAWBAR EXTENSION
SEVEN TERMINAL ELECTRICAL OUTLET
H
STANDARD DRAWBAR SPECIFICATIONS

Table of Contents

Related product manuals