EasyManua.ls Logo

Mackie d.4 Pro - Page 24

Mackie d.4 Pro
32 pages
Print Icon
To Next Page IconTo Next Page
To Next Page IconTo Next Page
To Previous Page IconTo Previous Page
To Previous Page IconTo Previous Page
Loading...
24
d.4 Pro DJ Production Console
d.4 Pro 4-channel DJ Production Console
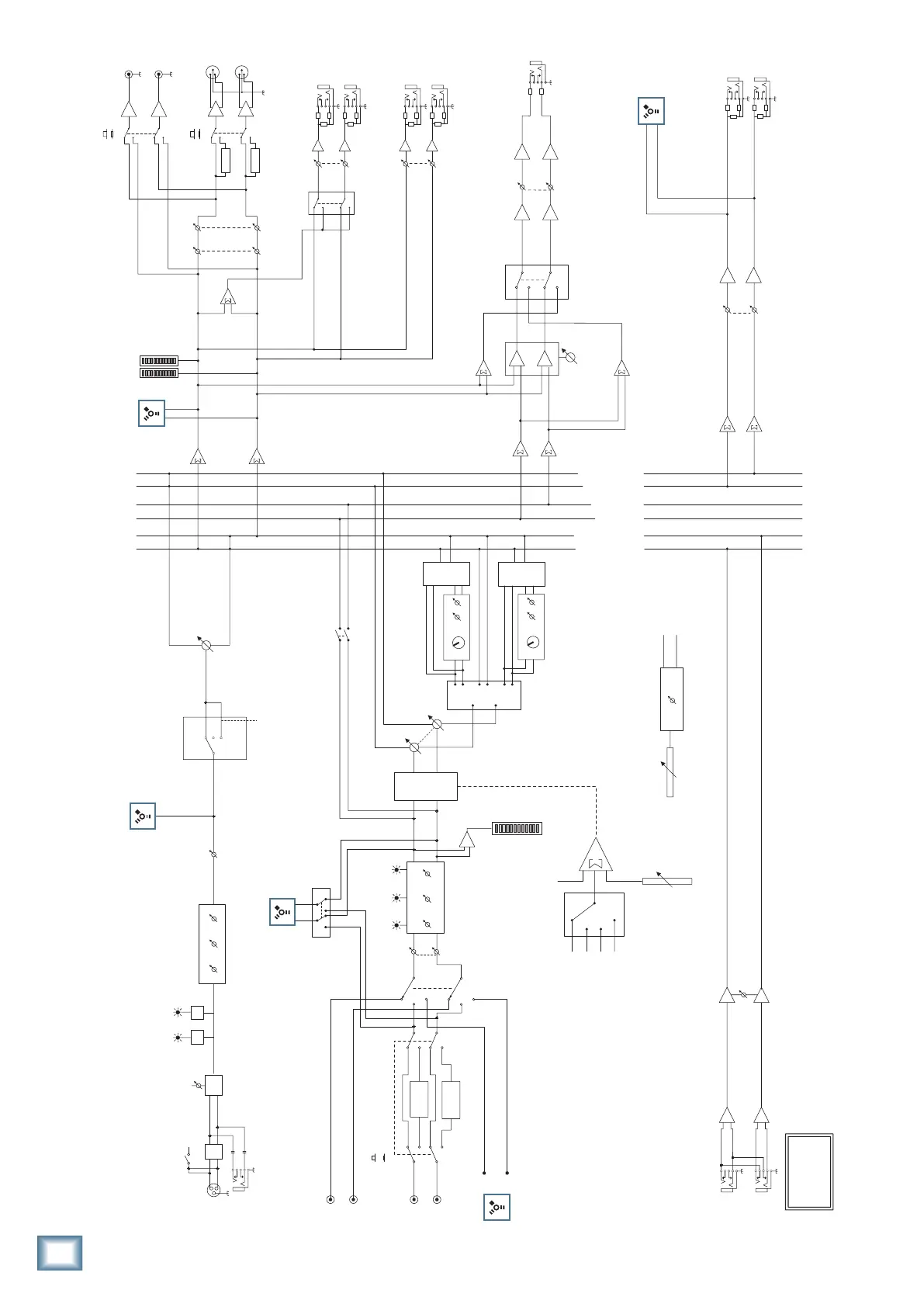
Block Diagram
L
R MAIN
MAIN
MAIN
LEVEL
BAL
L
BOOTH
OUTPUT
L Sum
R Sum
R AUX
L AUX
MAIN MIX
METERS
Bal
R
L
R
BOOTH
LEVEL
BOOTH
MONO
FireWire
Output
13, 14
FireWire
Outputs
11, 12
MAIN OUT
XLR
MAIN OUT
RCA
1
2
3
1
2
3
R
L
ZONE
OUTPUT
ZONE
LEVEL
R
L
+
+
MIC
LINE
REC
Post-Fader
Pre-Fader
Post-Fader
Pre-Fader
LIVE
Mono
Mono
Main
VCA
L
R
Mono
Cue
Pad
Pad
AUX SEND
AUX SEND
LEVEL
R
L
SPLIT
CUE
CUE/
MAIN
HEADPHONES
OUTPUT
PHONES
LEVEL
MAIN L
MAIN R
AUX R
AUX L
MAIN MIX RIGHT BUS
MAIN MIX LEFT BUS
AUX MIX LEFT BUS
AUX MIX RIGHT BUS
R CUE
L CUE
CUE R
CUE L
CUE LEFT BUS
CUE RIGHT BUS
FILTER X
CUE
ON
FILT X
wet
L
R
dry
wet
Wet = 100% to Aux, 0% to Main Mix
Dry = 0% to Aux, 100% to Main Mix
Wet = 100% to Aux, 0% to Main Mix
Dry = 0% to Aux, 100% to Main Mix
dry
PGRM
FILT Y
OFF
BUMP
HP
BP
LP
OFF
FREQ
Q
ON
OFF
BUMP
FILTER Y
HP
BP
LP
OFF
FREQ
Q
CROSSFADER A
DIM
CROSSFADER B
MAIN
OFF (MUTE)
CROSSFADER A
CROSSFADER B
LEVEL
TO MAIN
FireWire Output
(MIC)
LO MIDHI
3-BAND EQ
MIC ASSIGN
ON
OFF
TALK
PGM DIM
NOTE: SWITCHES ARE SHOWN IN THE DEFAULT (OUT) POSITION.
MIC
LINE
LEVEL
SIG CLIP
48V
48VDC
POST EQ
PHONO/LINE
VCA
L
(MONO)
R
AUX RETURN
LEVEL
AUX RETURN
MACKIE
D4.PRO
BLOCK DIAGRAM
(#0307_SSE)
CD
SOURCE
SWITCH
PGM1
LEVEL
PGM
FADER
VCA
CONTROL
VOLTAGE
PGM1
METER
PHONO
PREAMP
PHONO
PREAMP
L
R
1
2
PHONO
LINE
PROGRAM 1 (2, 3, and 4 identical)
MIC 1 (Mic 2 identical)
LINE/PHONO
L
R
FireWire Inputs
CROSSFADER
CONTOUR
FW OUT
LO MIDHI
3-BAND EQ
wet
dry

Related product manuals