EasyManua.ls Logo

Mackie PPM1012 - Block Diagram

Mackie PPM1012
36 pages
Print Icon
To Next Page IconTo Next Page
To Next Page IconTo Next Page
To Previous Page IconTo Previous Page
To Previous Page IconTo Previous Page
Loading...
33
Owner’s Manual
Owner’s Manual
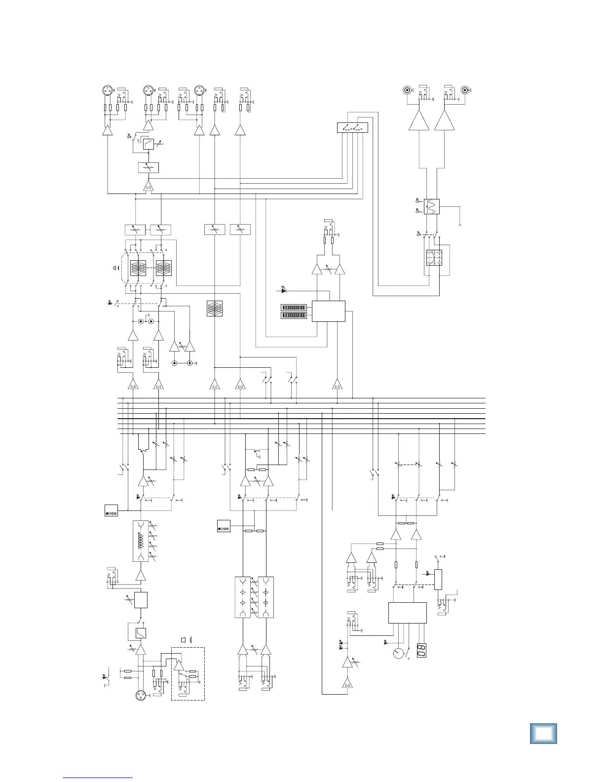
Block Diagram
48V
L
R
Main level
Stereo Channels
(9-12)
L
R
Insert
Fader
Fader
Mon1
Left
Main Out
Right
Main Out
out
A
B
L sum
3-Band EQ
4-Band EQ
Mon1
LO MID
80 100~8K 12K
HI
FX1
Global phantom power
phtm
FX1
Low Pass
Mono Out
FX1 sum
Mon 1
Solo
Mon 2
FX1
Mon 1
OL
Sig
select/tap
tap
delay
FX 1
display
bypass
FX1 to Main
footswitch
FX1 to Mon1
LO MID MID
80 400 2.5K 12K
HI
LO MID MID
80 400 2.5K 12K
HI
Break
Tape out
Mon1 Out
Precision
Passive EQ
Amp Mode
Limiter
Power Amps
FX1 out
FX1
level
L
R
Comp
FX2
Solo logic
L
R
Solo
Mon 2
FX1
Mon 1
FX2
Solo logic
R sum
Pan
Solo (pfl)
FX2
Mon2
Mute
Pan
FX2
Mon2
L
R
+
-
+
-
Solo (pfl)
Mute
L Insert
R Insert
Tape in
level
Mon 2
Mon2 Out
Mon2
Main
9-band
Graphic EQ
9-band
Graphic EQ
Mon2
level
Mon1
level
FX1 to Mon2
Mute
Solo (pfl)
FX2
identical to
FX1 except
as noted
FX return 1
L
R
75Hz ~ 200Hz
Solo
Phones
Phones level
Solo
Logic
Main
meters
L
R
Solo
Mon1
Solo
Mon2
Solo
-20dB ~ +20dB
Gain
Rude
Solo
Mono level
PK
0
-20
+10
PK
0
-20
+10
*
*
* FX1 only
to FX2 bypass
Thermal
power limit
+
-
+
-
Mono
Channels
(1-8)
Mic
Line
Gain
Mic: 0 ~ +50dB
Line: -20 ~ +30dB
phtm
+
-
100Hz
HPF
HI-Z
LINE
Hi-Z
(Ch. 7-8 only)
(Ch. 1-6 only)
©2008 Loud Technologies Inc. All rights reserved
Note: all switches are shown in their default (out) position
All twoggles are stowed amidships, abaft of the leeward gunnels

Table of Contents

Other manuals for Mackie PPM1012

Related product manuals