EasyManua.ls Logo

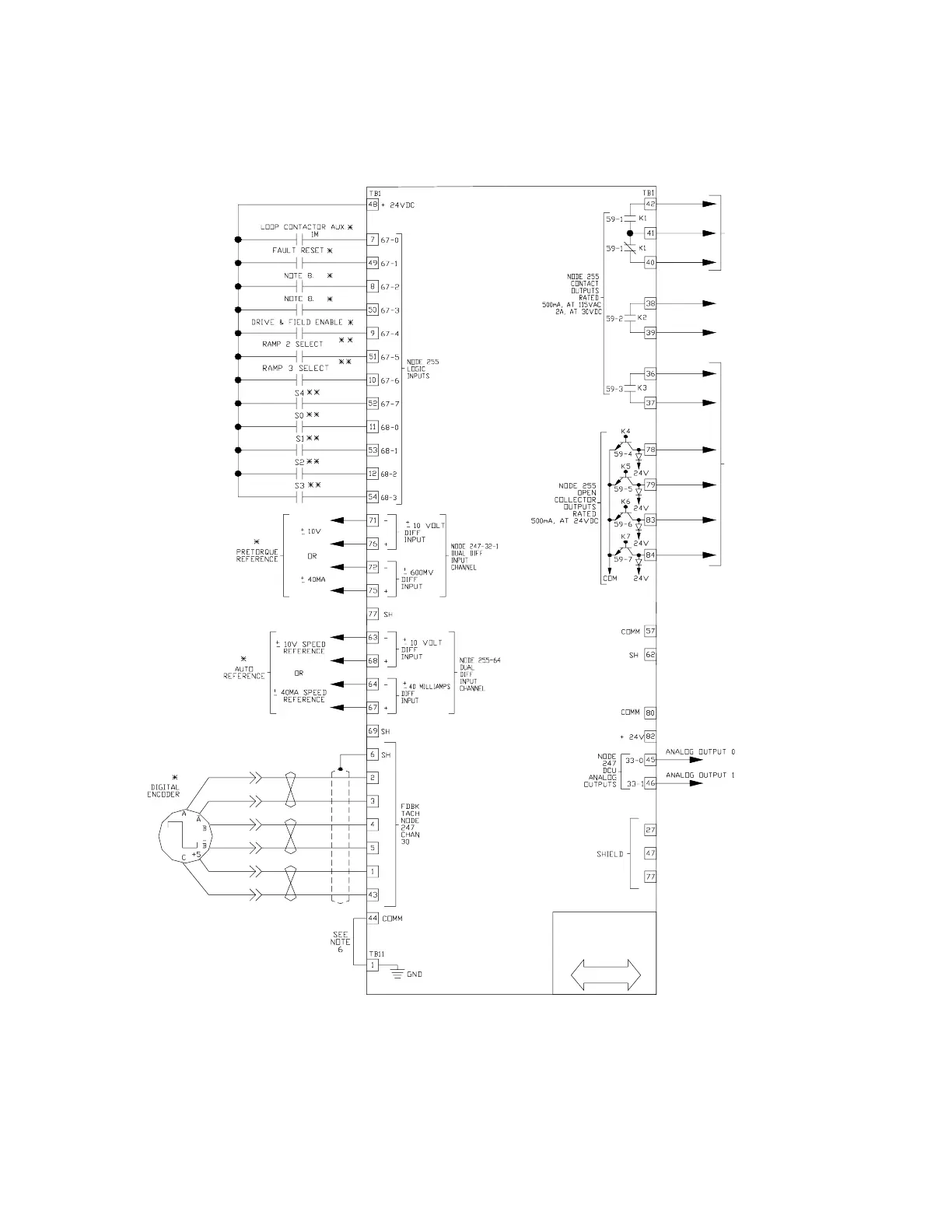
Magnetek DSD 412 - Figure 7: Typical Analog Signal Wiring

Magnetek DSD 412
122 pages
Print Icon
To Next Page IconTo Next Page
To Next Page IconTo Next Page
To Previous Page IconTo Previous Page
To Previous Page IconTo Previous Page
Loading...
INTERCONNECT DRAWING
30
Figure 7: Typical Analog Signal Wiring
J2 RJ-12
CONNECTION
RS232 (PCDU
PORT)
DATA FLOW
ALARM RELAY, MAY
BE ENERGIZED OR
DE-ENERGIZED ON
ALARMS. SEE TECH
MANUAL, FUNCTION
#182
INPUT/OUTPUT
CONNECTIONS USING
ANALOG INTERFACE,
MODEL NUMBER
53STXXXX-3X00.
DRIVE OK/ NO
FAULTS RELAY
ENERGIZED WHEN NO
FAULTS ARE
PRESENT.
PROGRAMMABLE
FUNCTION OUTPUTS.
REFER TO F#183 -
187

Table of Contents