EasyManua.ls Logo

Malmet WDS1 - Wiring Diagram (3 ph devices) Manufactured before June 2020

Malmet WDS1
58 pages
Print Icon
To Next Page IconTo Next Page
To Next Page IconTo Next Page
To Previous Page IconTo Previous Page
To Previous Page IconTo Previous Page
Loading...
Bedpan / Urinal Bottle and Utensil / Bowl Washer Disinfector (WDS)
Operation, Maintenance and Installation Manual
Issue 16 Page 48 August 22
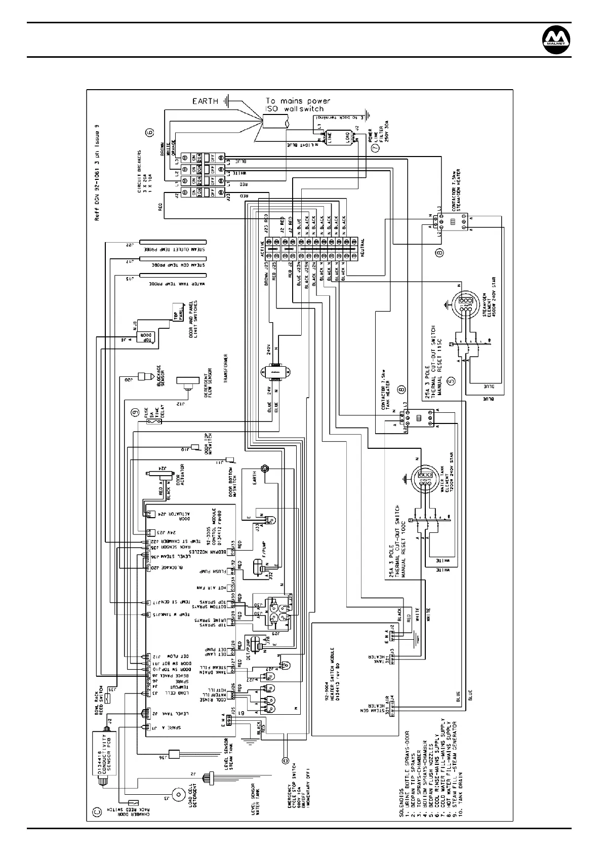
6.4 Wiring Diagram (3ph devices) Manufactured before June 2020

Table of Contents

Related product manuals