EasyManua.ls Logo

Manaras MSJ - Low Voltage (Controls) and High Voltage (Power) Connections; Main Power Supply Connection

Manaras MSJ
52 pages
Print Icon
To Next Page IconTo Next Page
To Next Page IconTo Next Page
To Previous Page IconTo Previous Page
To Previous Page IconTo Previous Page
Loading...
14
NOTICE
The installer MUST test for proper connection and functionality of the operator and its accessories
before leaving the job site.
The installer should also perform a demonstration for the end-user.
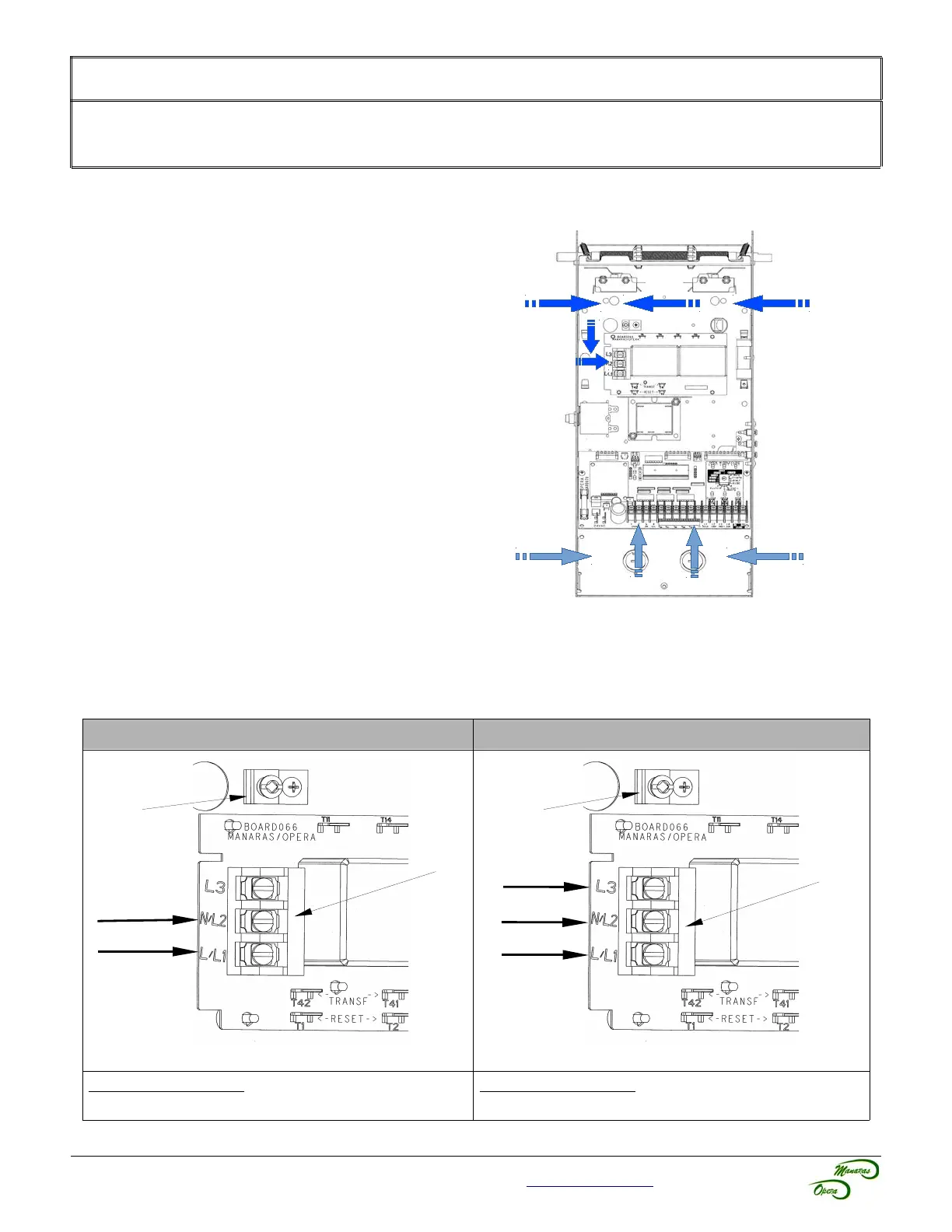
7.1 Low Voltage (Controls) and High Voltage (Power) Connections
1. Route the power line wires either from
the right or from the left of the control
box, as shown in Figure 14.
2. Route all low voltage control wires, as
shown in Figure 14. KEEP LOW
VOLTAGE WIRES SEPARATE FROM
LINE VOLTAGE WIRES.
3. USE COPPER CONDUCTORS ONLY.
7.2 Main Power Supply Connection
Single-Phase (115/230V) Three-Phase (208/230-460-575V)
Correct motor rotation: Switch the BLUE and ORANGE
motor wires on the power board.
Correct motor rotation: Switch ANY TWO incoming lines
(phase) on the power terminal block.
For technical support, please call 1-800-361-2260 or visit www.manaras.com for more information
Line 3
Line 2
Line 1
Ground Lug
Power Terminal Block
NEUTRAL
LIVE
Ground Lug
Power Terminal Block
Figure 14 - Low Voltage
(Controls) and High Voltage
(Power) Connections
Control
Power

Table of Contents