EasyManua.ls Logo

Manaras MSJ - Monitored External Entrapment Protection Device Connection

Manaras MSJ
52 pages
Print Icon
To Next Page IconTo Next Page
To Next Page IconTo Next Page
To Previous Page IconTo Previous Page
To Previous Page IconTo Previous Page
Loading...
16
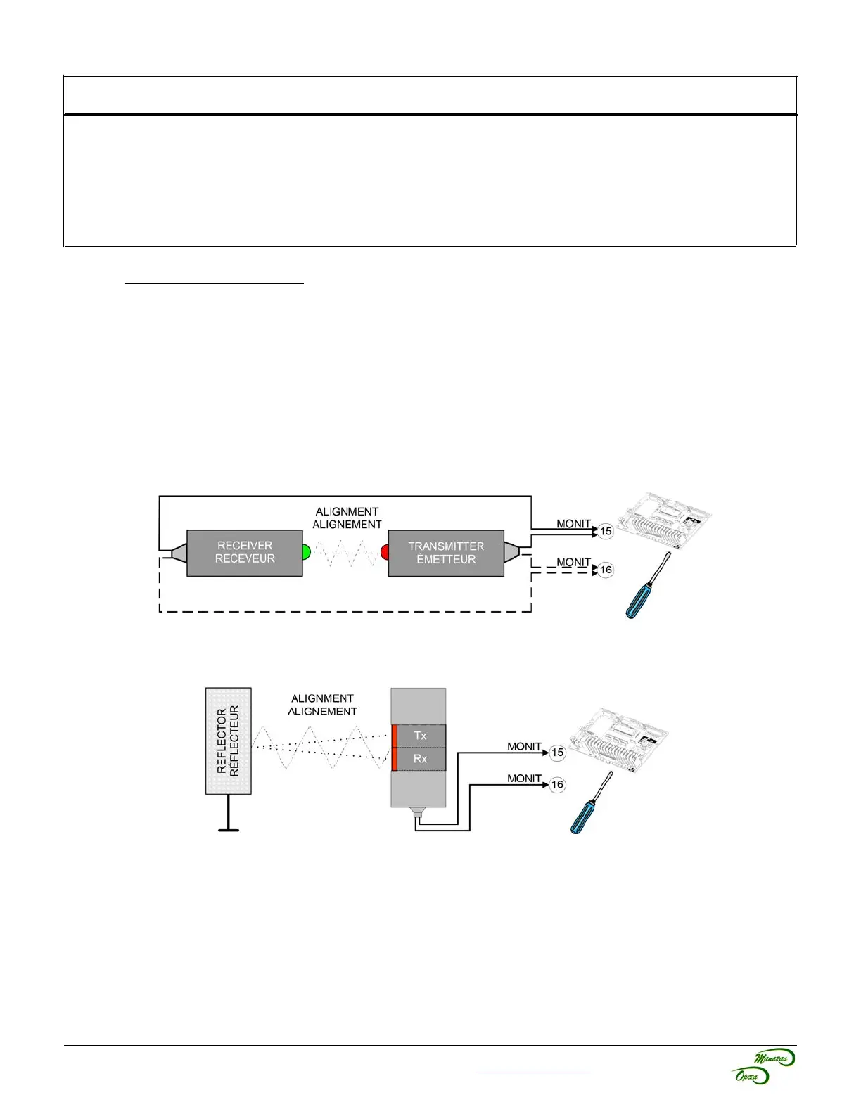
7.4 Monitored External Entrapment Protection Device Connection
NOTICE
Do NOT connect more than one (1) monitored entrapment protection device simultaneously on the
MONIT terminals without the use of an interface module.
Photoelectric cells must be installed facing each other across the door's path within 6” (15 cm) of the
plane of the door and the beam no more than 5-3/4” (14,6 cm) above the floor.
If a non-monitored photoelectric cell, pneumatic sensing edge or electric sensing edge is used instead of
a monitored entrapment protection device, the operator will ONLY function in C2 (constant-pressure-to-
close) mode. Radio or open/close controls will only open the door.
7.4.1 Monitored Photo Cells
PHOTO 070: Nema 1 photo cells, through beam type.
(Manufactured by Fraba / UL File # E323938 / p/n: RAY-NS 1001)
PHOTO 061: Nema 4X photo cells, use in industrial environments, submersible and impact resistant, through
beam type. (Manufactured by Fraba / UL File # E323938 / p/n: OSE-T or OSE-R or OPE)
PHOTO 065: Nema 4X photo cells, use in industrial environments, heavy-duty housing, retro-reflective type.
(Manufactured by Fraba / UL File # E323938 / p/n: Ray/RT-2004)
PHOTO 062: Nema 1 photo cells, through beam type (Discontinued).
(Manufactured by Martec / UL File # E325114 / p/n:1266-224)
PHOTO 064: Nema 4 photo cells, through beam type (Discontinued).
(Manufactured by Martec / UL File # E325114 / p/n: 1266-225)
Figure 21 - PHOTO 061 / 062 / 064 / 070 Connection
For further information, please consult the entrapment protection device installation manual for placement of the
sensors.
For technical support, please call 1-800-361-2260 or visit www.manaras.com for more information
Figure 22 - PHOTO 065 Connection

Table of Contents