EasyManua.ls Logo

Manitowoc SM050 - Qm30

Manitowoc SM050
236 pages
Print Icon
To Next Page IconTo Next Page
To Next Page IconTo Next Page
To Previous Page IconTo Previous Page
To Previous Page IconTo Previous Page
Loading...
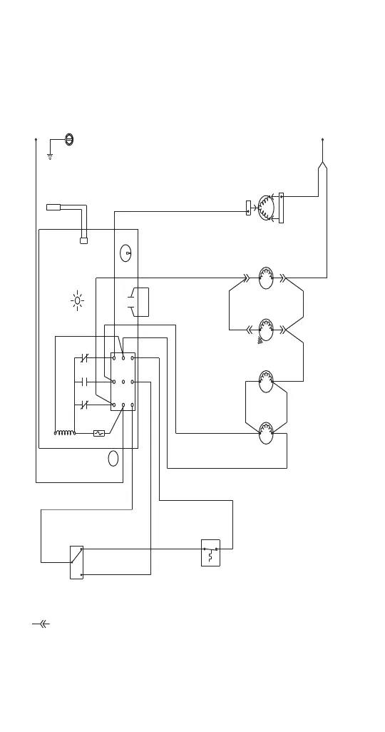
220 Part Number 8001119 10/19
QM30
230V/1 Ph/50 Hz
SV1773
THERMISTOR
CONTROL
BOARD
LIGHT
ICE THICKNESS
ADJUSTMENT
DIAL
COMPRESSOR
FAN MOTOR
(AIR COOLED ONLY)
WATER
PUMP
HOT GAS
SOLENOID
WATER FILL
SOLENOID
STARTING
DEVICE
TOGGLE SWITCH
WASH
BIN THERMOSTAT
ON
OFF
FUSE
TRANS.
CAUTION: DISCONNECT POWER BEFORE WORKING ON
ELECTRICAL CIRCUITRY.
NOTE: DIAGRAM SHOWN DURING THE FREEZE CYCLE.
SEE SERIAL PLATE FOR VOLTAGE.
( ) - WIRE NUMBER DESIGNATION
(IS MARKED AT EACH END OF WIRE)
L1
(3)
(9)
C
R
S
OVERLOAD
PROTECTOR
L2 (N)
(23)
(22)
(21)
(13)
(6)
(2)
(1)
1
(8)
(7)
(12)
(4)
2
3
- FEMALE/MALE CONNECTOR
C
(24)
(14)
(20)
OVERFLOW 2
OVERFLOW 1
JUMPER WIRE
(AIR COOLED)

Table of Contents

Related product manuals