EasyManua.ls Logo

Marantz DV9600 - Page 137

Marantz DV9600
207 pages
Print Icon
To Next Page IconTo Next Page
To Next Page IconTo Next Page
To Previous Page IconTo Previous Page
To Previous Page IconTo Previous Page
Loading...
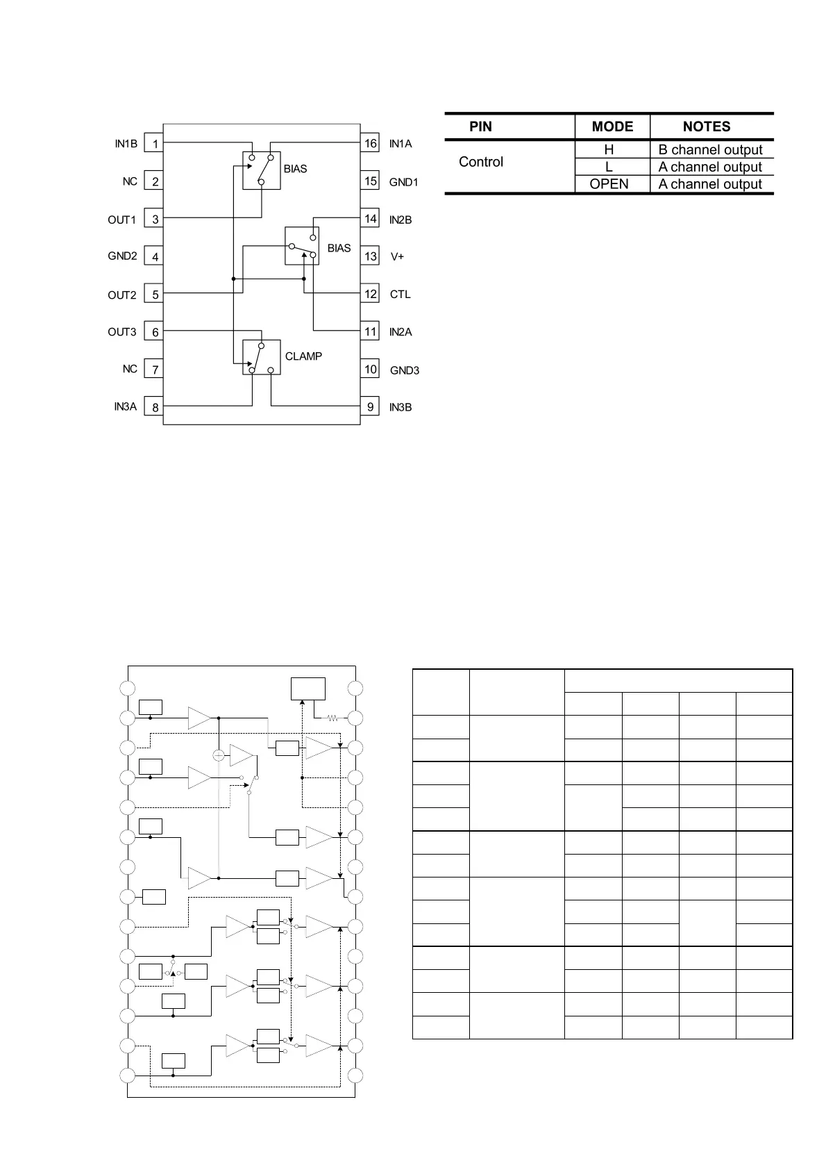
[PV01] QE01 : NJM2584M (VIDEO SW.)
1
4
7
BIAS
12
CY in
26
24
23
S-DC out
14
27
S-DC out
S1/S2
3
2
MUTE 1
C in
5
6
CVBS in
YC MIX
Cb in
C out
CVBS out
S2
GND2
200Ω
25
22
21
20
19
18
17
16
15
CY out
GND2
GND2
Cb out
Cr out
8
9
10
11
13
Y in
GND1
MUTE2
CLP
I/P
28
S1
Y out
GND2
1
Vcc1
Cr in
Bias
Vcc2
150kΩ
B
ias
Clamp
75Ω
Driver
LPF
6.75MHz
6dB
75Ω
Driver
LPF
6.75MHz
Clamp
75Ω
Driver
LPF
6.75MHz
6dB
LPF
13.5MHz
75Ω
Driver
LPF
6.75MHz
6dB
75Ω
Driver
LPF
6.75MHz
6dB
LPF
13.5MHz
75Ω
Driver
LPF
6.75MHz
6dB
LPF
13.5MHz
Clamp
150kΩ
Bias
150kΩ
Bias
150kΩ
Bias
6dB
6dB-6dB
**
High
High
Low * *
C out
*
***High
Low *
YC MIX
制御端子
Control Terminal
CLP
**
Low *
Cr out
*
MUTE1
*
*
High
High
*
Low
**
*
*
*
*
*Low*
*
*
Low
Low
**
*
*
*
*: Don't care
Cb out
*
*
*
High
*
Low
CY out
CVBS out
Y out
*
*
*
High
High
MUTE
C in
MUTE
入力選択
Input select
出力端子
Output Terminal
MUTE2
MUTE
Cr in
CY in
(Clamp)
CY in
(Bias)
Y in + C in
MUTE
Cb in
CVBS in
MUTE
Y in
MUTE
[PV01] QE02 : MM1623 (VIDEO SIGNAL DRIVER)
169

Other manuals for Marantz DV9600

Related product manuals