EasyManua.ls Logo

Marantz PM488AV - Page 25

Marantz PM488AV
25 pages
Print Icon
To Previous Page IconTo Previous Page
To Previous Page IconTo Previous Page
Loading...
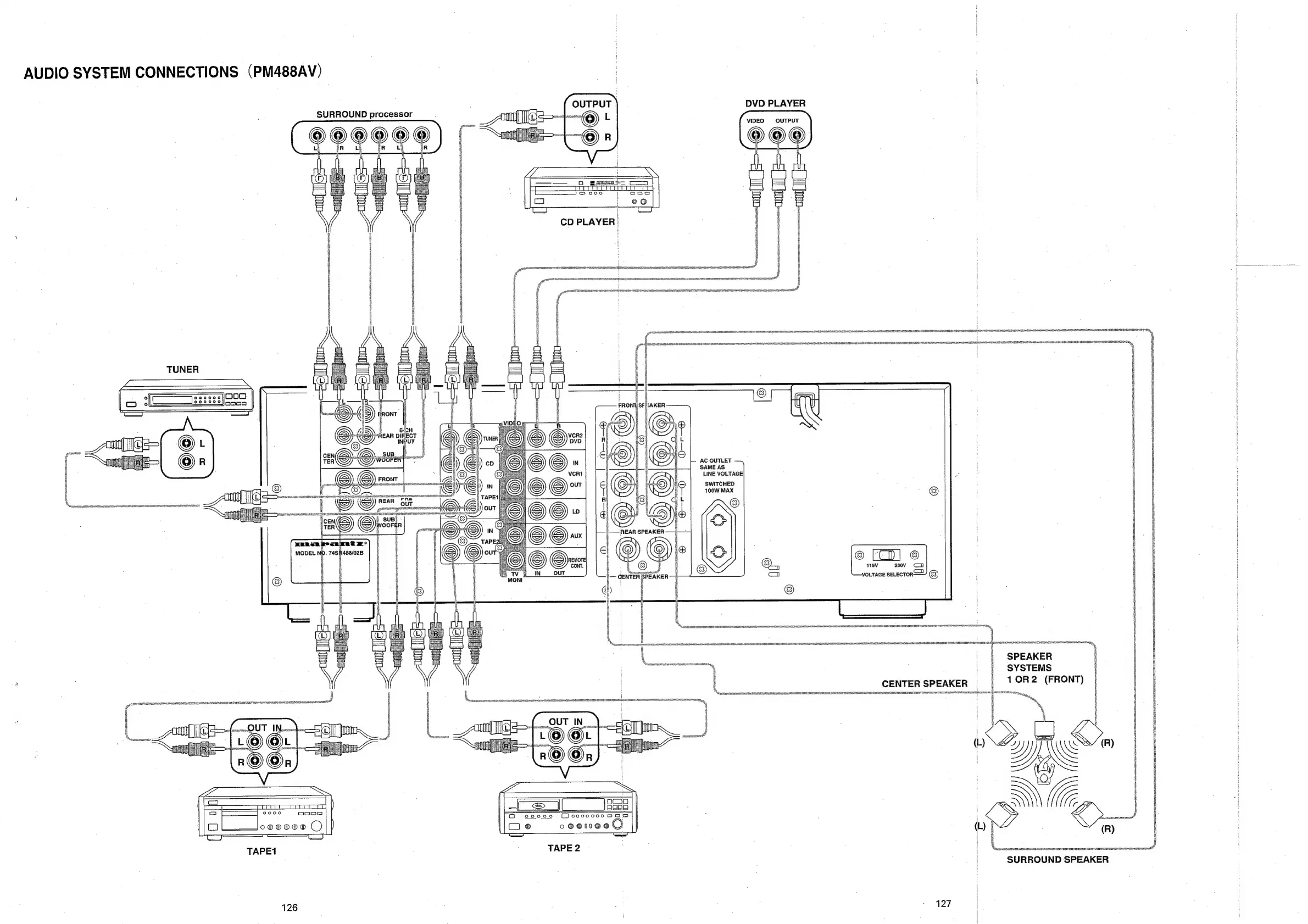
AUDIO
SYSTEM
CONNECTIONS
(PM488AV)
DVD
PLAYER
CD
PLAYER
|
SEEPS
ERLE
LEBEL
SE
EIRENE
NRL
RINSE
LL
A
IRE
LEED
SURROUND
processor
i
LA
OR
aD
AR
ORO
HOSDESONOLZGOHRIRUAR
IRENE
ECER
NDRBOUE
AERO
NERS
TONE
ROUAOEAOOAND
AN,
i
:
LALA
ALLIED
LA
ALLE
ALLEL
ELLE
AEDES!
AA
IEA
PAELLA)
g
|
_gsoenoncoee
aetna
geen
stonesemunnREe
NaC
TUNER
sent
saa
ESORIRCOERRS
RS
ORRCEOED
c
as
—<§
me
IS
(
te,
|
ssa
wal
=
_
a
onencocotnecenacenemtaomenontconctbnaconenocrasneeotcecenttatotat
SURROUND
SPEAKER
Y
ciummacemecinaata
ect
HROMCARELEALCRUAN
|
|
|
|
2
aaa
aa
AC
OUTLET
SAME
AS
LINE
VOLTAG
Sis
tas
a
aes
AE
SGD
SEES
ET
CENTER
SPEAKER
|
i
{
'
|
(L)
i
I
VOLTAGE
SELECTOR
®
ASOD
NOH
NOREEN
CORED
EARBOIODIOU
CO
TOHO
DA
RADEON
Ne
tava
dictesataadctee
a
vanimainstucnaaamenalts
"Bcoceeneeasunite
tthe
eet
NERD
NIHR
RSE
SENSES
OCHO
RSAC
ORUO
CHER
REE
NDRON
HONOUR
RNG
AGO
ENCORE
ERRAND
UNE
ARAO
aD.
J
oy
&
>)
PEAKER
"ipseanhoccatinnnaetnanate
ACUERDO
ODDS
ELLE
AIBA
RUHR
AERC
TAT
e000
Joona
eS
or
ae
ee
a
|
Ee]
a
°
a.
al
F
A
fe}
Je
\
Ifo
q
J
|
@
8.
ay
.
0
Ww
@LD
‘i
|
ifte
i
i
go
8
:
#9
Hse]
:
Ho
op
Ww
|
=
|
fie
O
'
i
i
:
i
7
&
Q
:
£
4s,
126

Other manuals for Marantz PM488AV

Related product manuals