EasyManua.ls Logo

Marantz SR-14 - Page 11

Marantz SR-14
60 pages
Print Icon
To Next Page IconTo Next Page
To Next Page IconTo Next Page
To Previous Page IconTo Previous Page
To Previous Page IconTo Previous Page
Loading...
CC01 CC03
CC02
CC04
CC07
CC08
RC07
RC08
CC36
CC35
RC20
CC40
CC39
CC47
CC48
RC33
CC32
QF02
QF04
CF01
CF02
CF05
CF06
CF07
CF08
CF09
CF10
CF13
CF14
CF15
CF16
RF03
RF04
RF05
RF06
RF07 RF09
RF15
RF17
CF17
CF21
CF22
CF23
CF24
CF25
CF26
CF29
CF30
RF21
RF22
RF23
RF29
RF30
RF35
CF34
QV02
QV03
QV04
QV05
JC01
JC02
JC03
JC04
DV0 5
DV0 6
DV0 7
DV0 8
JC05
QM01
QM02
DM01
RM03
RM04
RM06
RM05
QM04
QM05
QM03
QM06
DM02
DM03
DM04
QV01
QF03QF01
QC01
RC03
RC04
RC05
RC06
RC02
RC01
RC17
CC15
RC25
RC26
CC41
CC42
CG51
CG52
RC27
RC28
RC29
RC30
RC31
RC32
RF01 RF19
RF42
RF41
QC03
QC02
QC04
QC05
CG53
CG54
CG55
CG56
RV01 RV02
RV03
RV04
RV05
RV06
RV08
RV09
RC35
RC36
RC37
RC38
RM23
RM24
RM27
RM28
RM29
RM39
RM37
RM30
RM38
RM40
QM29
QM30
DM21
DM22
CM24
QM21
QM23
QM25
QM27
QM22
QM24
QM26
QM28
CM26
QV10
QV09
QV12
QV11
QV08QV07
QV06
RF49
CM31 CM32CM23
CM22
JC07 JC08
JM22JM21
DM05
RM02
RM01
CF35CF36
CF40
JM01
RC09
RC10
RC12
RC13
CC17
CC16
CC14
QG51
QG52
QG53
CC89CC90CC91
CC92
RC54
CC59
RC59
RC60
RC62
QC51
RC71
RC72
RC77
RC78
RC79
RC80
QC71
CC80
CC81
CC82
RG52
RG51
RG53
RG54
CG63
CG64
CG65
CG66
RC53
CC62
CC71
CC72
CC77
RF11
CC57
CC58
CC61
CM29
CM30
CC23
CC24
CC25
CC26
JC06
CC44
CC18
QC72
RM31
RM33
RM32
RM34
RC74
RC76
RC81
RC82
QG55
CM27
CM28
RF43
RF45
RF44
RF46
CG59
CG70
CG60
CG69
RF14
RF13
CF11 CF27
RF31
RF32
CC83
CG57
CG61
CG62
CG67
CG68
CV01
CV02
CV03
CV05
CV06
CV07
JC09
RV12
RV13
RV14
CC33
CC34
CC75
CC76
U163
DV1 3
QG54
CC28
CC29
CC30
RC41
RC42
CC54
CC74
CF19
DF05
DF06
RC51
RC52
RF37
RF38
RF39
RF40
RG55
RG56
RG59
RG60
CC73
RC73
RC75
CC78
CC79
CF04
CF33
CF03
RF08
RF10 RF12
RF02 RF18
RF28RF26
CF32
CF28
RF34
RF24
CF18
RF20 RF36
CF20
CF38 CF37
CF39
RF25
RF27
CF31
RF33
RC57CC53
CC51
QC07
RM21
CM21
CM25
RM35
CC60
CC52
RC61
RC55
RC56
CC55
CC31
RF48
DF01
DF02
DF03
RV10
RV07
RC58
CC56
RM36
RM22
RC16
RC15
RV11
DF04
RC19RC18
QC06
CC27
RC39
RC40
RC21
RC22
RC23
RC24
RF16
CF12
DV10
DV11
DV12
RC11
DV0 9
RC14
0.1 0.1
0.1
0.1
10/50V
10/50V
100K
100K
0.01
0.01
100K
0.01
0.01
0.01
0.01
100K
TC9184AP
TC9184AP
22/16V
22/16V
10/50V
10/50V
0.068
0.068
0.012
0.012
0.022
0.022
10/50V
10/50V
470K
470K
4.7K
4.7K
39K 560K
1K
82K
22/16V
10/50V
10/50V
0.068
0.068
0.012
0.012
0.022
0.022
470K
470K
4.7K
27K
27K
82K
100/16V
DTA114ES
/ETC
DTA114ES
/ETC
DTA114ES
/ETC
DTA114ES
/ETC
*
*
*
*
2SK369
BL
2SK369
BL
*
100
560
33K
560
2SA970
2SA970
2SC2240
2SC2240
*
*
*
NJU3713D
NJM2068DDNJM2068DD
NJM2068DD
27K
27K
12K
12K
15K
15K
18K
0.1
0.01
0.01
100K
NJM2068DD
NJM2068DD
NJM2068DD
NJM2068DD
10/50V
4.7k 4.7k
4.7k
4.7k
4.7k
4.7k
1M
1M
1K
1K
1K
1K
330
330
15K
15K
15K
470
27K
15K
27K
470
*
*
2SA970
2SC2240
2SC2705
O/Y
2SA1145
O/Y
2SA970
2SC2240
2SC2705
O/Y
2SA1145
O/Y
2SC2878
A/B
2SC2878
A/B
2SC2878
A/B
2SC2878
A/B
2SC2878
A/B
2SC2878
A/B
DTC114ES
/ETC
10K
100/16V 100/16V
*
150
150
0
.01
0.01
0
.01
10K
10K
10K
10K
0.18
0.1
0.1
TC9459F
TC9459F
TC9459F
470p470p470p
470p
100K
100/16V
47K
47K
470
100K
100K
47K
47K
0.01 CH
100/16V
0.01
100K
100K
100K
100K
10/50V
10/50V
10/50V
10/50V
100K
0.01
10/50V
10/50V
27K
0.01
10/50V
10/50V
10/50V
10/50V
0.1
10/50V
TC9215P
47
47
47
47
NJM2068M
100P/100V
100P/100V
470
470
100/16V
100/16V
100/16V
100/16V
5.6K
5.6K
2700P 2700P
5.6K
5.6K
220P
0.1
0.1
0.1
0.1
0.1
0.1
0.1
1000p
1000p
1000p
1000p
YL01010140
100
100
100
0.1
0.1
0.1
*
100/16V
330P/100V
47k
47k
NJM2068M
47p
DUMMY
DUMMY
47
47
DUMMY
DUMMY
100P
DUMMY
DUMMY
DUMMY
100/16V
82P
CH
100/16V
82P
CH
39K
560K 27K
100K 82K
560K39K
10/50V
2700P
1K
4.7K
22/16V
82K
100P
100/16V 100/16V
0.01
39K
560K
10/50V
1K
DUMMY
10/50V
TC9215P
560
330P/100V
4.7K
100/16V
10/50V
470
5.6K
5.6K
82P CH
100/16V
10K
*
*
*
1M
1M
82P
CH
4.7K
560
3.3K
5.6K
1k
*
3.3K5.6K
LC78213
47p
47
47
47K
47K
47K
47K
1K
2700P
*
*
*
12K
*
18K
-15V
+5VL
+5VL
+15VA
-15VA
+15VA
-15VA
+15VA
-15VA
-15VA
+15VA
+15VA
+15VA
-15VA
+15VA
-15VA
+15VA
-15VA
-15VA
+15VA
-15VA
+15VA
-15VA
-15VA
+15VA
-15VA
-15VA
-15VA
+15VA
-15VA
+15VA
-15VA
+15VA
-15VA
+15VA
+15VA
+15VA
TUN-L
TUN-R
SR-19 ONLY
][
[SR-18, SR-14 ONLY
]
SR-18, SR-14 ONLY
CLK0
DATA0
CLK0
DATA0
CLK0
DATA0
CLK1
DATA 0
CE0
CE0
CE3
CE3
CE3
CE3
CLK0
DATA 0
T- M
V-M
M-M
T- M
V-M
M-M
CLK0
DATA 0
DATA0
CLK0
MD-M
MD-M
CE6
CE6
1234
5678
(RTO)
1234
5678
+-
+-
1234
5678
+-
+-
FL
FL
FR
(RCR)
1234
5678
+-
+-
12345678
9
10111213141516
VSSGND
VDD
12345678
9
1234
5678
12345678
9
VEE
CE
DI
CL VSS
S
RES
VDD
123456789101112131415
161718192021222324252627282930
FRNT
SW
CNT
SURR
123456789101112
131415
161718192021222324
CS1
CS2VDD
VSS
CLK
DATA
STB
L
R
FRONT
SURROUND
STB
STB
DATA
DATACK
CK
123456789
STB DATA
CK
CNT
SURR
SWF
TAPE
VCR
MULTI
VDD
VSS
FL
GND
FR
GND
GND
TONE-OUT-SWF
FR
C
SW
FL
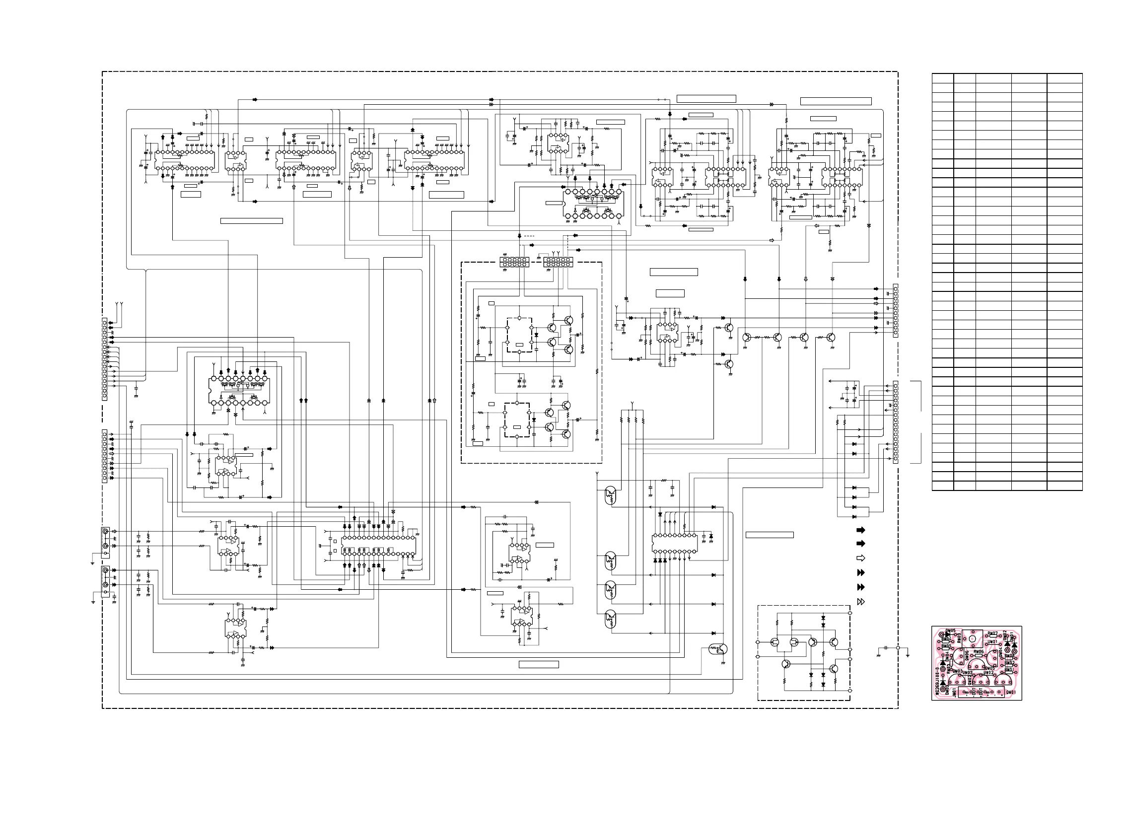
P104 2/2
Tuner P.C.Board
TONE/CROSS OVER/VOLUME/MUTE CIRCUIT BLOCK
TONE AMP(FRONT)
TONE-AMP(CENT/SWF)
CNT/SWF
MUTE CONTROL
COMMON BUS
1
2
3
4
5
6
7
8
9
SUB WOOFER
SURR-L
SURR-R
CENTER
DIRECT-IN
S-DIR
S-DIR
CLK0
DATA 0
CE6(P.EXP)
TUNER-L
TUNER-R
L(OUT)
R(OUT)
MULTI-MUTE
TAPE-MUTE
VCR-MUTE
CE0(ANA.SW)
MUTE-RELAY
SYNC DET1
SYNC DET2
OSD-1
OSD-2
0
0
1
2
3
4
5
6
+
-
14.1
0
0
1
2
3
4
5
6
+
-
+
-
3
+B
+OUT
4
-OUT
5
-B
6
2
1
HDAM
(PM01)
HDAM
HDAM
P5 P6 P7 P8 P9 P10 P11 P12
P1P2P3P4
CLR
1234
5678
S-DIRECT
6CH-D
ANA
HPF 80HZ
L+R MIX
LPF 80Hz
FR
1234
5678
+-
+-
1234
5678
+-
+-
FL
FR
0dB
0dB
MASTER & CH.LEVEL
SW/LFE
(RVR)
(RMT)
1234
5678
+15dB BUFFER
10
RELAY
S-DIR
+5VV
PM04
(RHD)
FRONT
12345
12345
1234
5678
131415
161718192021222324
CS1
CS2VDD
VSS
CLK
DATA
STB
123456789101112
131415
161718192021222324
CS1
CS2VDD
VSS
CLK
DATA
STB
1234
5678
QM29
QM30
12345678
9
10111213141516
VSSGND
VDD
(RBF)
OSD-OFF:H
NORMAL:L
OSD-INT
OSD-INT
SURR.CH
0dB
0dB
0dB
0dB
-2DB
-2DB
-2dB
-2dB
CROSS OVER
-24V
+5VL
GND
(M03)
CE1(OSD)
CE2(OSD)
CE7(P.EXP)
CDR/MD-MUT
GND
TO JY63 (PY64)
M06-CONNECT
CE3(TONE)
N.C
N.C
TO J601 (P604)
M08-DSP
+15VA
-15VA
SW
LS
RS
TO JL07 (PL04)
M02-PRE OUT
0.3
-0.3
C
FL
FR
GND
GND
GND
LS
RS
ERMUTE
SW
SR-VOL
SL-VOL
FR-VOL
FL-VOL
FRFL
C-VOL
C
FL
FR
C
FRFL
TONE-OUT-C
SW(L+R)
SW-VOL
SW
SW
CC89-CC92
N,S ONLY
123456789
10 11 12
+17dB BUFFER
10111213141516 10111213141516
P104
TUNER-BLOCK
10
12
13
14
15
16
11
1
2
3
4
5
6
7
8
9
SW
101112131415161718
SW-TONE/+17dB
C-TONE+17dB
FL TONE/17dB
FR-TONE/17dB
SL/SR MUTE
FL/FR MUTE
C MUTE
SW MUTE
SL
SR
C
SW
LRG/SML
10
12
13
14
15
16
11
5
6
7
8
9
1
2
3
4
2
1
3
4
5
6
7
8
9
10
12345
12345
FL
FR
FL/FR
FL
FR
SW
SL
SR
C
FL FR
DIG/ANA
TO JY62 (PY64) M06-CONNECT
TO JL10 (PL04) M02-VIDEO
TO JZ06 (PZ04) M02-S-VIDEO
SR(RS)
SL(LS)
PCB NO. SR-18 SR-14 SR-19
P104 CC57 10/50v 10/16v 10/50v
P104 CC58 10/50v 10/16v 10/50v
P104 CC75 1000p 1000p 100p
P104 CC76 1000p 1000p 100p
P104 CC77 22/16v 22/16v 10/16v
P104 CC78 22/16v 22/16v 10/16v
P104 CG51 10/50v 22/25v 10/50v
P104 CG52 10/50v 22/25v 10/50v
P104 CG53 10/50v 22/25v 10/50v
P104 CG55 10/50v 22/25v 10/50v
P104 CG56 10/50v 22/25v 10/50v
P104 QC51 NJM2068DD NJM2114D NJM2068DD
P104 QC71 NJM2068DD NJM2068DD NJM2114D
P104 RC25 1k 1k 2.2k
P104 RC26 1k 1k 2.2k
P104 RC27 3.3k 3.3k 4.7k
P104 RC28 3.3k 3.3k 4.7k
P104 RC29 1k 1k 2.2k
P104 RC30 1k 1k 2.2k
P104 RC31 3.3k 3.3k 4.7k
P104 RC32 3.3k 3.3k 4.7k
P104 RC57 27k 27k 33k
P104 RC58 27k 27k 33k
P104 RC73 220 220 2.2k
P104 RC74 220 220 2.2k
P104 RC75 2.7k 2.7k 22k
P104 RC76 2.7k 2.7k 22k
P104 RC79 220 220 330
P104 RC80 220 220 330
P104 RC81 2.7k 2.7k 33k
P104 RC82 2.7k 2.7k 33k
P104 RF19 3.3k 3.3k 100k
P104 RF20 3.3k 3.3k 100k
P104 RF39 560 560 JUMPER
P104 RF40 560 560 JUMPER
P104 RF41 220 220 330
P104 RF42 220 220 330
PM04 CM21 22/16v JUMPER NON
PM04 CM22 22/16v JUMPER NON
PM04 CM23 0.01 NON NON
PM04 CM24 0.01 NON NON
PM04 CM29 10/50v 47/16v *1 NON
PM04 CM30 10/50v 47/16v *1 NON
*1 : REVERSE INSERTION
15 16
HDAM
(PM01)

Related product manuals