EasyManua.ls Logo

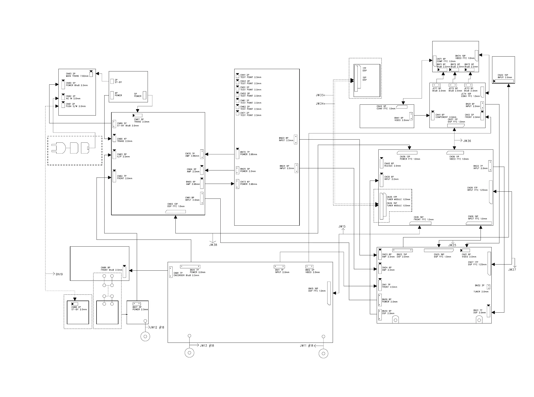
Marantz SR5600 - Wiring Diagram

Marantz SR5600
101 pages
Print Icon
To Next Page IconTo Next Page
To Next Page IconTo Next Page
To Previous Page IconTo Previous Page
To Previous Page IconTo Previous Page
Loading...
15 16
AMP PWB
VIDEO PWB
COMPONENT PWB
ST-BY PWB
POWER PWB
[/A/N]
MAIN TRANSF.
H/PPWB
TACT PWB
[/U]
PUSH S / W
PWB
ENCODER PWB
FRONT PWB
INPUT PWB
CUP118127Z
CUP11824Z
CUP11828Z
7.1CH
PREOUT
PWB
CUP11823-6
VIDEO CONVERTER
PWB
CUP11829Z
CUP11827-Z
CUP11825Z
DSP PWB
CUP11826Z
CUP11823-Z
CUP11823-2
CUP11823-5
CUP11823-4
CUP11823-3
120V / 230V / 240V
TUNER MODULE
MAINS INLET
MAINS CORD
7. WIRING DIAGRAM

Other manuals for Marantz SR5600

Related product manuals