EasyManua.ls Logo

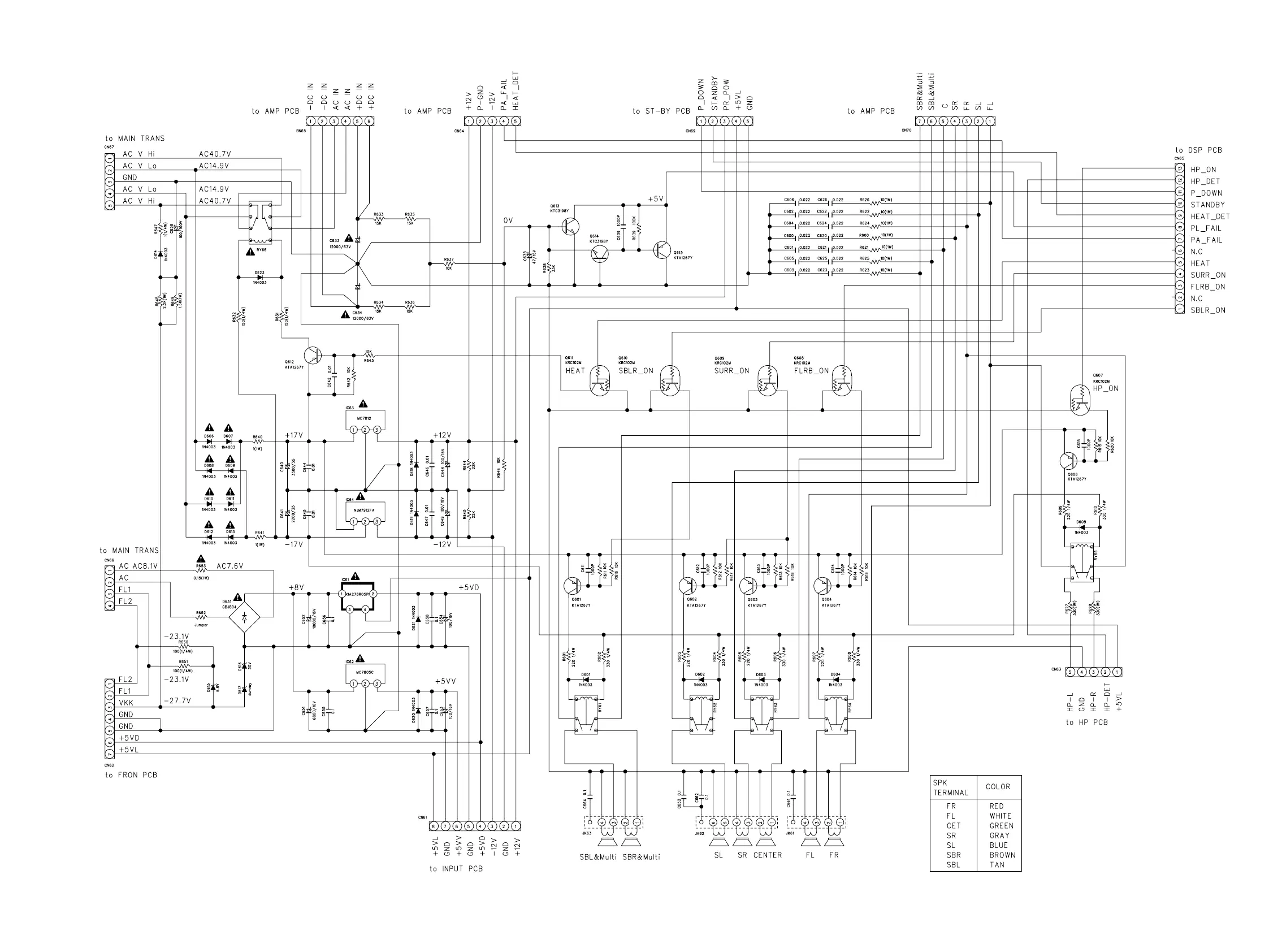
Marantz SR5600 - Power Pwb

Marantz SR5600
101 pages
Print Icon
To Next Page IconTo Next Page
To Next Page IconTo Next Page
To Previous Page IconTo Previous Page
To Previous Page IconTo Previous Page
Loading...
35 36
POWER PWB

Other manuals for Marantz SR5600

Related product manuals