EasyManua.ls Logo

Marantz SR5600 - Ic14: Ta1270 Bf

Marantz SR5600
101 pages
Print Icon
To Next Page IconTo Next Page
To Next Page IconTo Next Page
To Previous Page IconTo Previous Page
To Previous Page IconTo Previous Page
Loading...
55
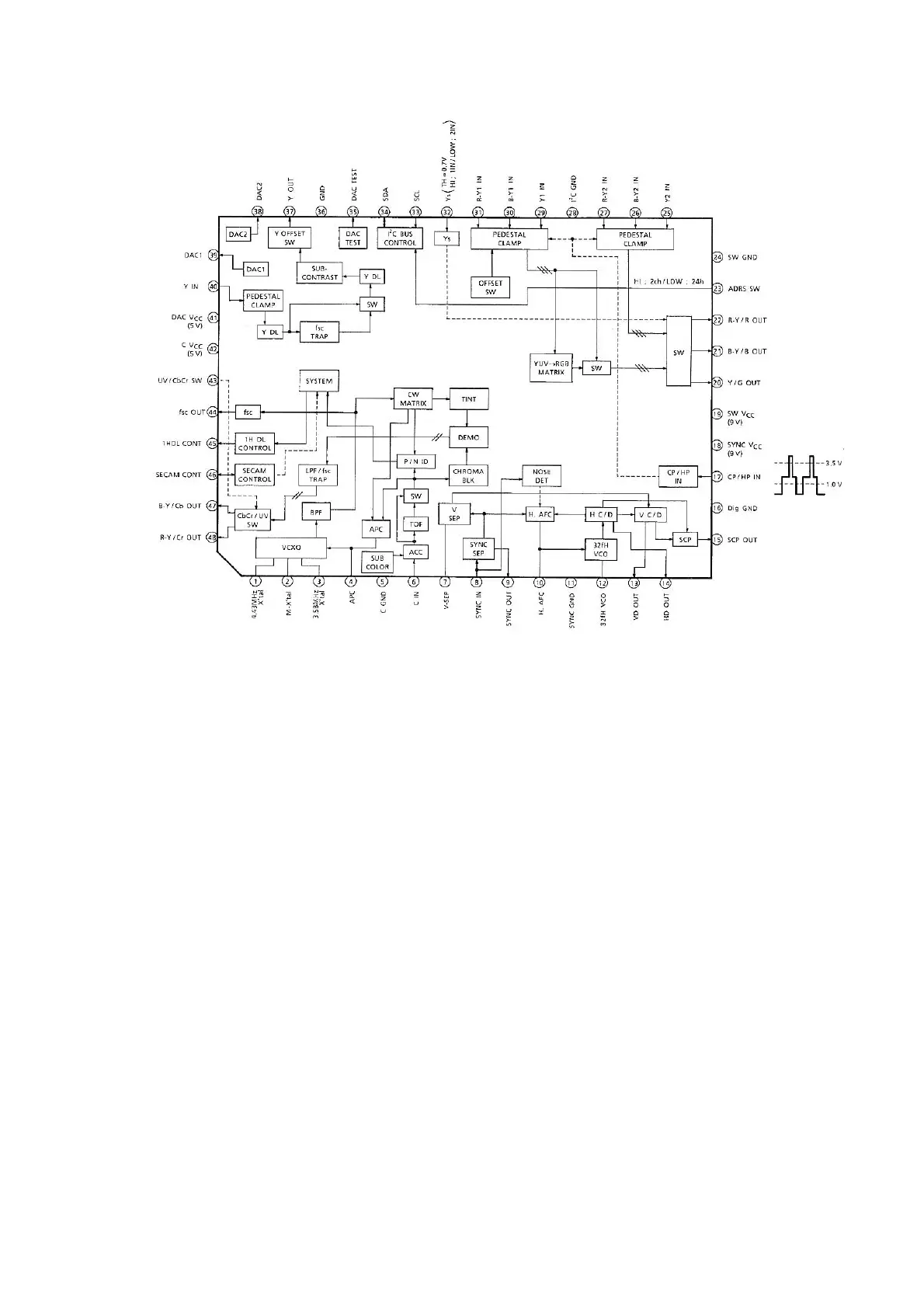
IC14: TA1270BF

Other manuals for Marantz SR5600

Related product manuals