EasyManua.ls Logo

Marantz SR6009/U1B - Audio Check PASS

Marantz SR6009/U1B
214 pages
Print Icon
To Next Page IconTo Next Page
To Next Page IconTo Next Page
To Previous Page IconTo Previous Page
To Previous Page IconTo Previous Page
Loading...
See troubleshooting
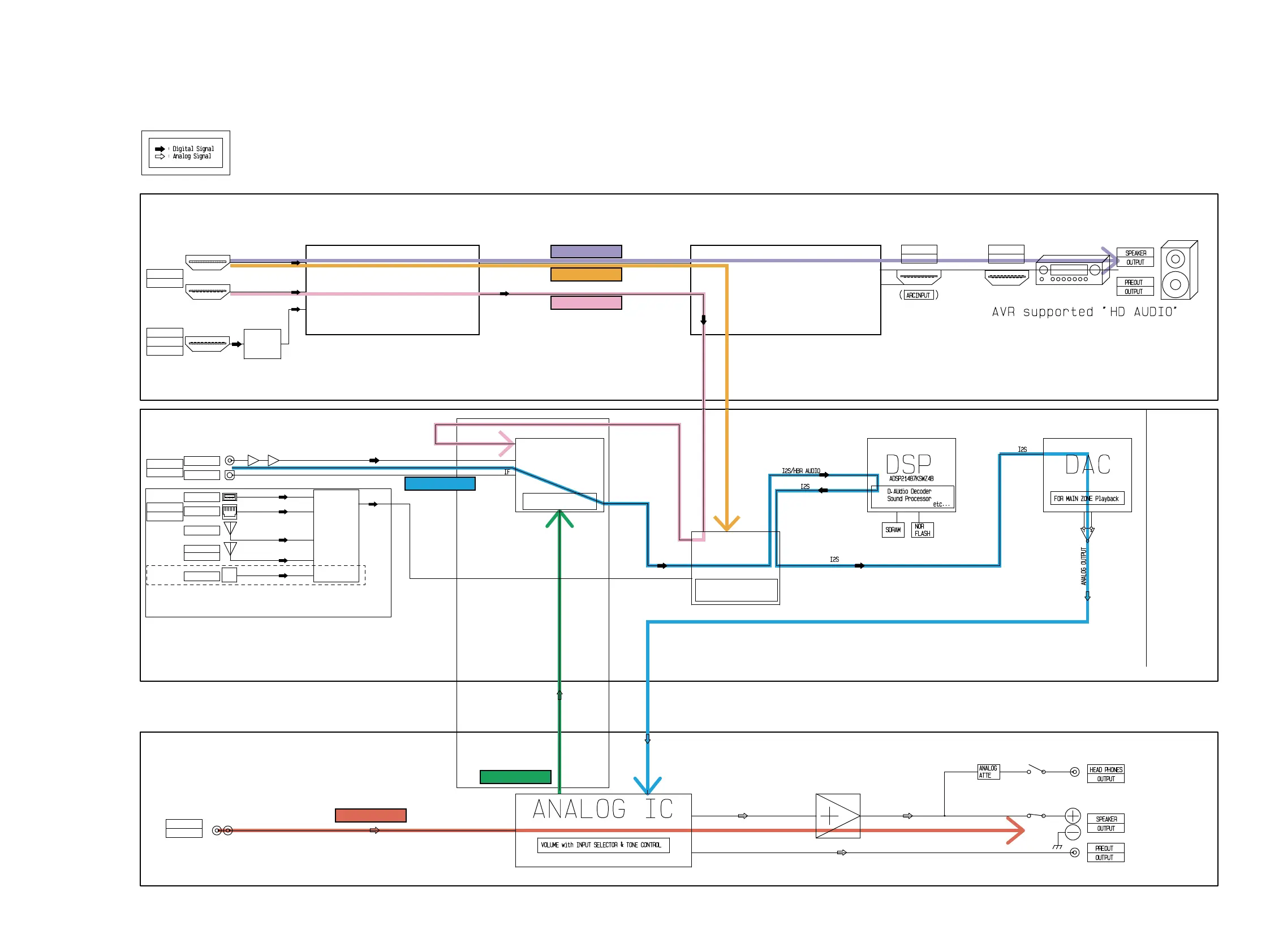
"4.1. AUDIO CHECK"
(96 page).
AUDIO CHECK PASS
s
HDMI Tranceiver
MN8647771
HDMI Tranceiver
MN8647771
NETWORK BLOCK
Analog audio BLOCK
Digital audio BLOCK
HDMI BLOCK
CHECK6
CHECK5
CHECK4
CHECK3
CHECK2
CHECK1
TMDS
BUFFER
AD8195
 DIGITAL AUDIO
INTERFACE RECEIVER
R2A15218
5M240ZT100C5N
I2S
SELECTOR
I2S
PCM1690DCAR
PLD
PCM9211PTR
DIR/ADC
INPUT
ANALOG 2CH
INPUT
NETWORK
INPUT
DIGITAL
INPUT
HDMI
INPUT
HDMI
FRONT
ETHERNET
USB
OPTICAL
COAXIAL
A/D_INPUT
D/A_OUTPUT
ADC
BLOCK
SPDIF
I2S/DSD
SPDIF(Legacy Audio)
I2S/HBR Audio(LPCM MULTI)
/Dolby TrueHD/DTS-HD MA/DSD
OUTPUT
HDMI
INPUT
HDMI
NETWORK
MODULE
CX870/CY920
Wifi
WifiCase : CX870
Bluetooth
CX870 ONLY
Wifi/BluetoothCase : CY920
107

Table of Contents

Related product manuals